Рейтинг: 53
не верифицирован
Всего отзывов: 0
  • Работ в портфолио: 3
  • Типовых услуг: 0
  • Работ на продажу: 0
Был на сайте:

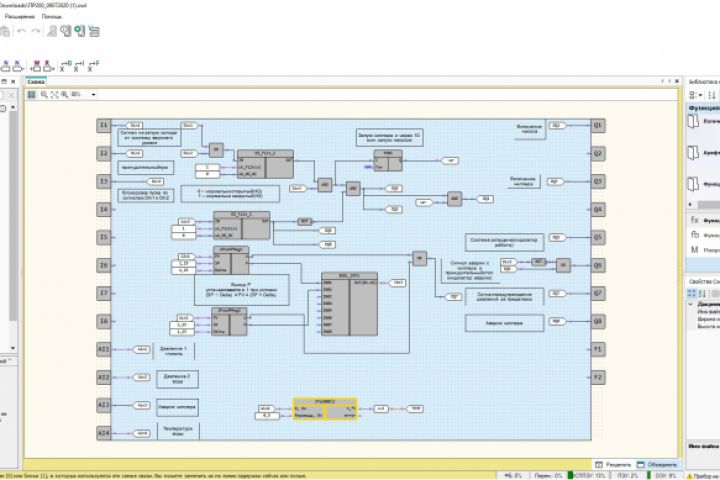
Проект FBD_Чиллер

Используемые навыки:

Описание

Программа ПР200

Ссылки на примеры реализации

 drive.google.com/drive/folders/1uo07hAEaajJ7RB-uq3...

Презентация проекта

pic4153543.jpg

Оценили проект:

0