Работа 2112143
Для полной функциональности этого сайта необходимо включить JavaScript.
Кишинев
На сайте с: 10.11.2014
Сергей Гумённый
Serghei81
Рейтинг: 108
не верифицирован
Всего отзывов:
3
0
Выполнил заданий:
2
Активность:
Работ в портфолио:
13
Типовых услуг:
0
Работ на продажу:
0
Был на сайте:
2022-06-02 в 22:15
inbox
build.do.am
Предложить работу
Добавить в избранное
Добавить рекомендацию
Пожаловаться
Инженерия
22
0
Работа 2112143
Используемые навыки:
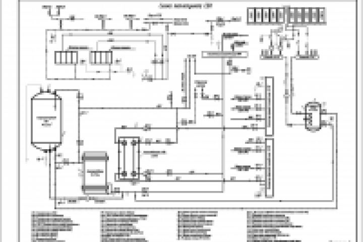
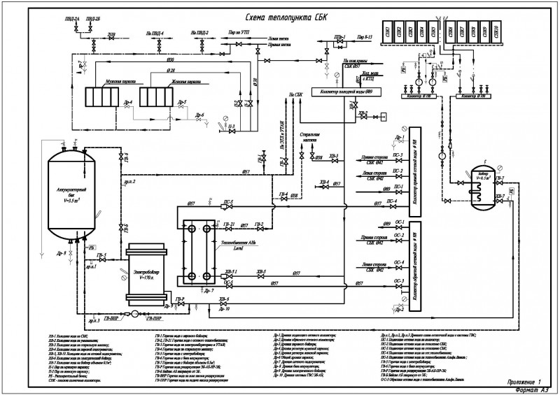
Теплоснабжение/Отопление/Вентиляция
Описание
Решение
Результат
Соавторы
Презентация проекта
Примеры реализации
Описание
Презентация проекта
Оценили проект:
0
×
Оценили проект
×
Авторизация
Для того чтобы оценивать проекты, вам нужно войти на сайт
Другие проекты
Все проекты
Работа 2112165
Работа 2112131
Работа 2112137
FREELANCE.RU
Toggle navigation
Нанять фрилансера
Заказчику
Найти по специализации
Найти по услугам
Провести конкурс
Разместить задание
Виртуальный HR
Другое
Найти работу
Фрилансеру
Найти задание
Присоединиться к команде
Участвовать в конкурсе
Предложить услугу
Другое
Возможности
Для заказчика
Для фрилансера
Вход
Разместить задание
▲