Рейтинг: 2 606
не верифицирован
Всего отзывов: 7 0
Выполнил заданий: 42
  • Работ в портфолио: 76
  • Типовых услуг: 0
  • Работ на продажу: 0
  • Возраст: 44 года
  • Зарегистрирован: 27.03.2018
Был на сайте:

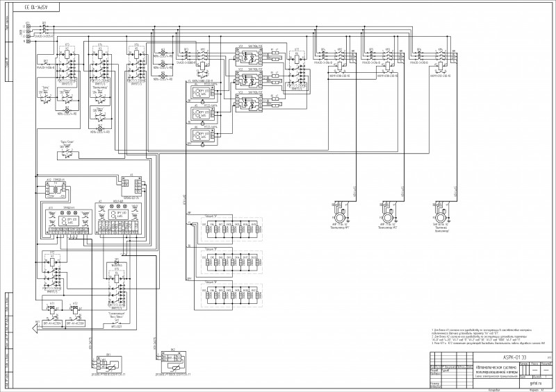
Схема

Используемые навыки:

Описание

Автоматическая система полимеризационной камеры

Презентация проекта

pic3591523.jpg

Оценили проект:

0