Система пожарной сигнализации оповещения
Для полной функциональности этого сайта необходимо включить JavaScript.
Yerevan
34 года
На сайте с: 07.12.2015
Арсен Гарибян
arsen559799
Рейтинг: 147
не верифицирован
Всего отзывов:
0
Активность:
Работ в портфолио:
17
Типовых услуг:
0
Работ на продажу:
0
Был на сайте:
2022-06-29 в 13:37
inbox
Предложить работу
Добавить в избранное
Добавить рекомендацию
Пожаловаться
Инженерия
38
0
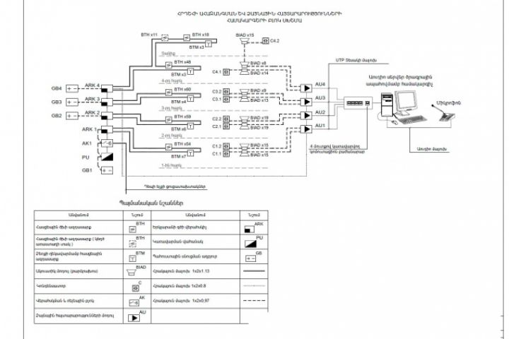
Система пожарной сигнализации оповещения
Используемые навыки:
Слаботочные системы
Описание
Решение
Результат
Соавторы
Презентация проекта
Примеры реализации
Описание
Система пожарной сигнализации оповещения
Презентация проекта
Оценили проект:
0
×
Оценили проект
×
Авторизация
Для того чтобы оценивать проекты, вам нужно войти на сайт
Другие проекты
Все проекты
Автоматическая пожарная сигнализация, охранная сигнализация
САПС и СОУЭ для апартамента
фальшпол и монтажные конструктивы
FREELANCE.RU
Toggle navigation
Нанять фрилансера
Заказчику
Найти по специализации
Найти по услугам
Провести конкурс
Разместить задание
Виртуальный HR
Другое
Найти работу
Фрилансеру
Найти задание
Присоединиться к команде
Участвовать в конкурсе
Предложить услугу
Другое
Возможности
Для заказчика
Для фрилансера
Вход
Разместить задание
▲