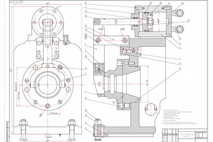
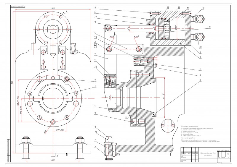
Приспособление для рассточки
Для полной функциональности этого сайта необходимо включить JavaScript.
Санкт-Петербург
На сайте с: 25.10.2016
ВООБРАЖЕНИЕ В ДЕЙСТВИИ
Engineer
S_AB
Рейтинг: 114
не верифицирован
Всего отзывов:
7
0
Выполнил заданий:
7
Опубликовал заданий:
5
Нейросаммари
Работ в портфолио:
29
Типовых услуг:
0
Работ на продажу:
0
Был на сайте:
2025-07-25 в 14:00
Предложить работу
Добавить в избранное
Добавить рекомендацию
Пожаловаться
Инженерия
11
0
Приспособление для рассточки
Используемые навыки:
Чертежи/Схемы
Описание
Решение
Результат
Соавторы
Презентация проекта
Примеры реализации
Описание
Презентация проекта
Оценили проект:
0
×
Оценили проект
×
Авторизация
Для того чтобы оценивать проекты, вам нужно войти на сайт
Другие проекты
Все проекты
Приспособление фрезерное
Шатун
Система автоматической пожарной сигнализации и система оповещ.
FREELANCE.RU
Toggle navigation
Нанять фрилансера
Заказчику
Найти по специализации
Найти по услугам
Провести конкурс
Разместить задание
Другое
Найти работу
Фрилансеру
Найти задание
Присоединиться к команде
Участвовать в конкурсе
Другое
Возможности
Для заказчика
Для фрилансера
Вход
Разместить задание
▲