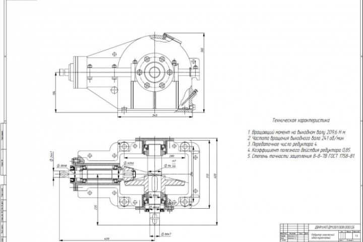
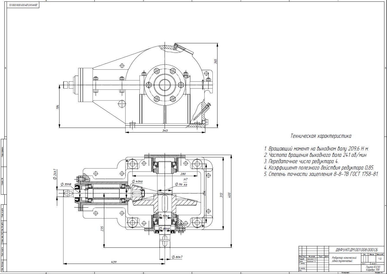
Сборочный чертеж редуктора
Для полной функциональности этого сайта необходимо включить JavaScript.
Владивосток
На сайте с: 25.09.2017
Егор Омельченко
omelchenko_e
Рейтинг: 105
не верифицирован
Всего отзывов:
0
Активность:
Работ в портфолио:
15
Типовых услуг:
0
Работ на продажу:
0
Был на сайте:
2022-07-19 в 16:00
inbox
Предложить работу
Добавить в избранное
Добавить рекомендацию
Пожаловаться
Инженерия
165
0
Сборочный чертеж редуктора
Используемые навыки:
Чертежи/Схемы
Описание
Решение
Результат
Соавторы
Презентация проекта
Примеры реализации
Описание
Презентация проекта
Оценили проект:
0
×
Оценили проект
×
Авторизация
Для того чтобы оценивать проекты, вам нужно войти на сайт
Другие проекты
Все проекты
Дизайн спальной комнаты
Одноэтажный дом в современном стиле
Моделирование промышленного манипулятора в MATLAB
FREELANCE.RU
Toggle navigation
Нанять фрилансера
Заказчику
Найти по специализации
Найти по услугам
Провести конкурс
Разместить задание
Виртуальный HR
Другое
Найти работу
Фрилансеру
Найти задание
Присоединиться к команде
Участвовать в конкурсе
Предложить услугу
Другое
Возможности
Для заказчика
Для фрилансера
Вход
Разместить задание
▲