Рейтинг: 74
не верифицирован
Всего отзывов: 0
  • Работ в портфолио: 14
  • Типовых услуг: 0
  • Работ на продажу: 0
Был на сайте:

Контрольная работа по инженерной графике

Используемые навыки:

Описание

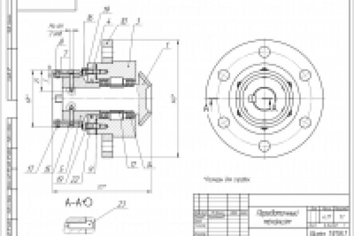
В соответствие с заданием (см. вложением) необходимо было выполнить сборочный чертеж узла, спецификацию а так же чертежи деталей.

Презентация проекта

pic2801362.jpg

Оценили проект:

0