Рейтинг: 74
не верифицирован
Всего отзывов: 0
  • Работ в портфолио: 14
  • Типовых услуг: 0
  • Работ на продажу: 0
  • Возраст: 37 лет
  • Зарегистрирован: 05.07.2015
Был на сайте:

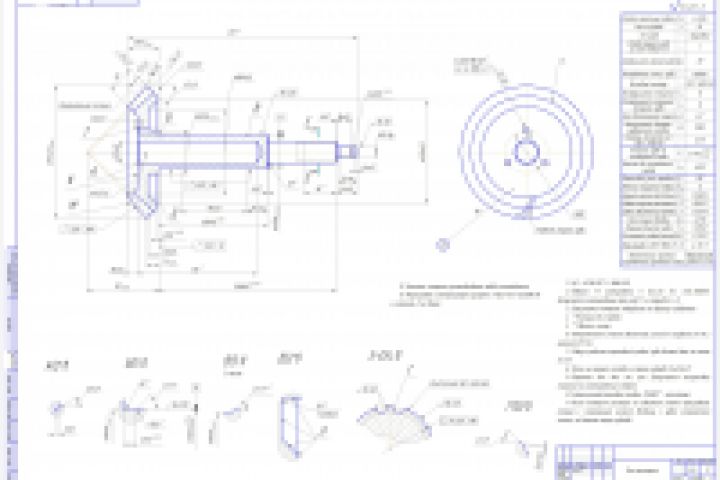
Рабочий чертеж конической вал-шестерни с круговым зубом

Используемые навыки:

Описание

Проведен расчет на кинематику, прочность и геометрический расчет параметров. Сделана 3 Д модель на основании ее был выпущен чертеж шестерни. Шестерня изготовлена в металле и установлена в редуктор, прошла прикатку, испытания и успешно работает.

Презентация проекта

pic2802216.jpg

Оценили проект:

0