Рейтинг: 44
не верифицирован
Всего отзывов: 0
  • Работ в портфолио: 4
  • Типовых услуг: 1
  • Работ на продажу: 0
Был на сайте:

Разработка инженерных решений (тепломеханический расчет)

Описание

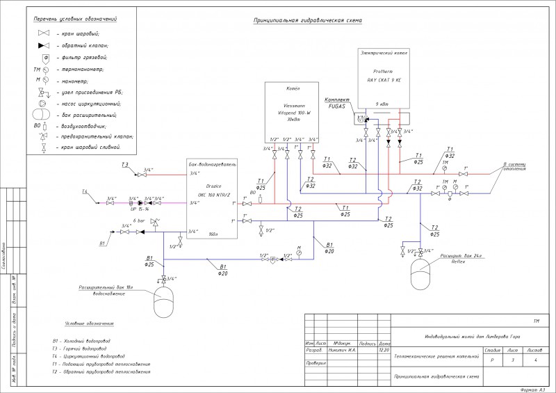
Разработка документации проводится на основании "Задания на проектирование". Котельная предназначена для теплоснабжения и горячего водоснабжения жилого дома.
В качестве основного источника тепла используется котельная с газовым котлом.Тепломеханической схемой котельной предусмотрено 2 контура:
- контур для системы отопления;
- подогрев водонагревателя.

Ссылки на примеры реализации

 anahata108.ru/projects/item/ip-otoplenie?tmpl=comp...

Презентация проекта

pic4337586.jpg

Оценили проект:

0