Рейтинг: 45
не верифицирован
Всего отзывов: 0
  • Работ в портфолио: 5
  • Типовых услуг: 0
  • Работ на продажу: 0
  • Зарегистрирован: 19.10.2016
Был на сайте:

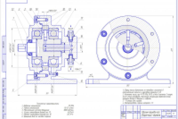
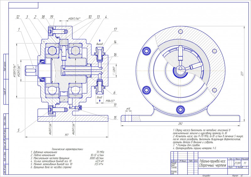
Сборочный чертеж РП-насоса

Описание

Сборочный чертеж был построен из 3D-модели выполненной в Компас-3D.

Презентация проекта

pic2972902.jpg

Оценили проект:

0