Проекты выполняю качественно, в срок и по доступной цене.

Дмитрий Стратулат Xtdima

Рейтинг: 278
не верифицирован
Всего отзывов: 7 0
Выполнил заданий: 7
  • Работ в портфолио: 84
  • Типовых услуг: 0
  • Работ на продажу: 0
  • Зарегистрирован: 18.11.2012
Был на сайте:

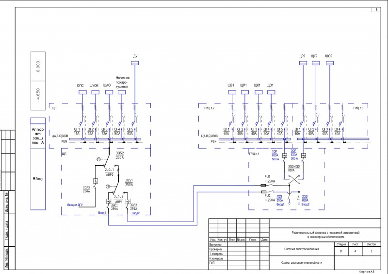
Проект ЭОМ развлекательный комплекс с подземной автостоянкой и и

Используемые навыки:

Описание

Проект ЭОМ развлекательный комплекс с подземной автостоянкой и инженерным обеспечением

Презентация проекта

pic3079514.jpg

Оценили проект:

0