Проект локальной системы оповещения завода
Для полной функциональности этого сайта необходимо включить JavaScript.
Нижний Новгород
Проекты выполняю качественно, в срок и по доступной цене.
Дмитрий Стратулат
Xtdima
Рейтинг: 278
не верифицирован
Всего отзывов:
7
0
Выполнил заданий:
7
Нейросаммари
Работ в портфолио:
84
Типовых услуг:
0
Работ на продажу:
0
Зарегистрирован:
18.11.2012
Был на сайте:
2025-11-13 в 19:53
+79648311634
inbox
xtdim@mail.ru
Предложить работу
Добавить в избранное
Добавить рекомендацию
Пожаловаться
Инженерия
62
0
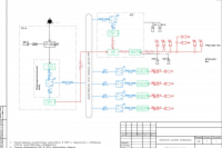
Проект локальной системы оповещения завода
Используемые навыки:
Слаботочные системы
Описание
Решение
Результат
Соавторы
Презентация проекта
Примеры реализации
Описание
Проект локальной системы оповещения завода
Презентация проекта
Оценили проект:
0
×
Оценили проект
×
Авторизация
Для того чтобы оценивать проекты, вам нужно войти на сайт
Другие проекты
Все проекты
Проект вентиляции и холодоснабжения ЦОД
Проект ЭОМ спортивно-оздоровительного здания
Проект отопления дома
FREELANCE.RU
Toggle navigation
Нанять фрилансера
Заказчику
Найти по специализации
Найти по услугам
Провести конкурс
Разместить задание
Виртуальный HR
Найти студию
Другое
Найти работу
Фрилансеру
Найти задание
Присоединиться к команде
Участвовать в конкурсе
Предложить услугу
Другое
Возможности
Для заказчика
Для фрилансера
Вход
Разместить задание
▲