Проект СВН завода
Для полной функциональности этого сайта необходимо включить JavaScript.
Нижний Новгород
Проекты выполняю качественно, в срок и по доступной цене.
Дмитрий Стратулат
Xtdima
Рейтинг: 278
не верифицирован
Всего отзывов:
7
0
Выполнил заданий:
7
Нейросаммари
Работ в портфолио:
84
Типовых услуг:
0
Работ на продажу:
0
Зарегистрирован:
18.11.2012
Был на сайте:
2025-11-13 в 19:53
+79648311634
inbox
xtdim@mail.ru
Предложить работу
Добавить в избранное
Добавить рекомендацию
Пожаловаться
Инженерия
57
0
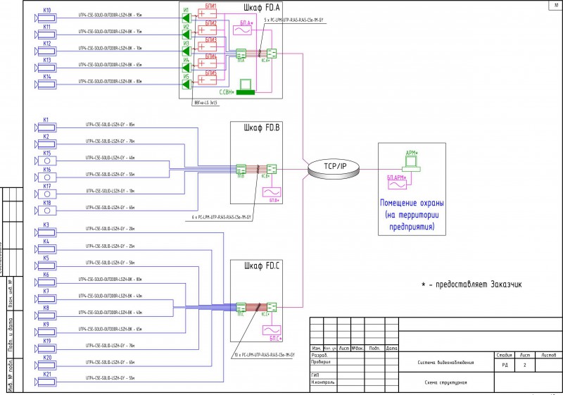
Проект СВН завода
Используемые навыки:
Слаботочные системы
Описание
Решение
Результат
Соавторы
Презентация проекта
Примеры реализации
Описание
Проект СВН завода
Презентация проекта
Оценили проект:
0
×
Оценили проект
×
Авторизация
Для того чтобы оценивать проекты, вам нужно войти на сайт
Другие проекты
Все проекты
Проект СКС
Проект ЭОМ развлекательный комплекс с подземной автостоянкой и и
Проект внутреннего электроснабжения и электроосвещения квартиры
FREELANCE.RU
Toggle navigation
Нанять фрилансера
Заказчику
Найти по специализации
Найти по услугам
Провести конкурс
Разместить задание
Виртуальный HR
Найти студию
Другое
Найти работу
Фрилансеру
Найти задание
Присоединиться к команде
Участвовать в конкурсе
Предложить услугу
Другое
Возможности
Для заказчика
Для фрилансера
Вход
Разместить задание
▲