Поставил цель - ДОБЕЙСЯ

Александр Собольков bulik_735

Рейтинг: 110
не верифицирован
Всего отзывов: 9 0
Выполнил заданий: 12
Опубликовал заданий: 10
  • Работ в портфолио: 5
  • Типовых услуг: 0
  • Работ на продажу: 0
  • Зарегистрирован: 28.04.2015
Был на сайте:

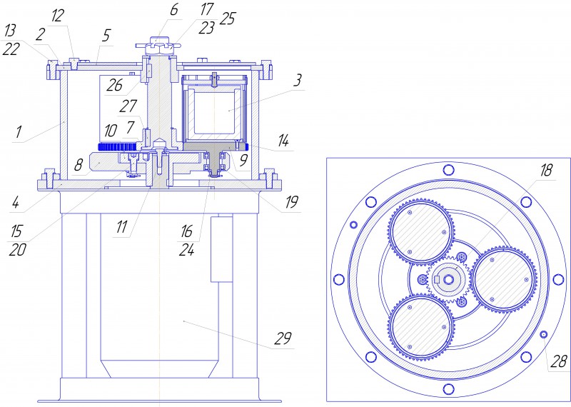
Шаровая планетарная мельница

Используемые навыки:

Описание

создание 3D модели шаровой планетарной мельницы
создание 2D чертежей с использованием 3D модели шаровой планетарной мельницы

Презентация проекта

pic3242093.jpg

Оценили проект:

0