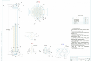
Теплообменник 2
Для полной функциональности этого сайта необходимо включить JavaScript.
Санкт-Петербург
Качество - наше все
Александр Ионов
anionow
Рейтинг: 390
не верифицирован
Всего отзывов:
0
Активность:
Работ в портфолио:
50
Типовых услуг:
0
Работ на продажу:
0
Возраст:
36 лет
Зарегистрирован:
31.01.2018
Был на сайте:
2022-11-18 в 20:57
inbox
alexionoww@gmail.com
Предложить работу
Добавить в избранное
Добавить рекомендацию
Пожаловаться
Инженерия
29
0
Теплообменник 2
Используемые навыки:
Чертежи/Схемы
Описание
Решение
Результат
Соавторы
Презентация проекта
Примеры реализации
Описание
Презентация проекта
Оценили проект:
0
×
Оценили проект
×
Авторизация
Для того чтобы оценивать проекты, вам нужно войти на сайт
Другие проекты
Все проекты
Жидкое мыло
Инфографика 1
Инфографика 2
FREELANCE.RU
Toggle navigation
Нанять фрилансера
Заказчику
Каталог фрилансеров
Каталог PRO
Каталог студий
Каталог услуг
Каталог работ
Виртуальный HR
Умный поиск
Провести конкурс
Разместить задание
Найти работу
Найти задание
Присоединиться к команде
Участвовать в конкурсе
Предложить услугу
Вход
Разместить задание
▲