Рейтинг: 62
не верифицирован
Всего отзывов: 0
  • Работ в портфолио: 22
  • Типовых услуг: 0
  • Работ на продажу: 0
Был на сайте:

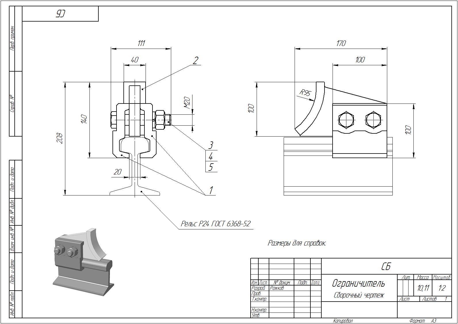
Рельсовый ограничитель хода

Используемые навыки:

Описание

Рельсовый ограничитель хода применяется для ограничения перемещения по рельсовому пути на железнодорожном транспорте или при внутрицеховых передвижениях. Устанавливается непосредственно на рельс в местах технологических остановок или в конце пути. Торможение осуществляется за счёт воздействия на реборду колёсной пары.

Презентация проекта

pic2760841.jpg
Рельсовый ограничитель хода_Сборочный чертёж.jpg

Оценили проект:

0