СПС
Для полной функциональности этого сайта необходимо включить JavaScript.
Кемерово
Михаил Коротков
echnatonus
Рейтинг: 69
не верифицирован
Всего отзывов:
0
Работ в портфолио:
19
Типовых услуг:
1
Работ на продажу:
0
Зарегистрирован:
30.11.2022
Был на сайте:
2023-02-04 в 08:57
+7 (904) 964-30-23
inbox
echnatonus@mail.ru
Предложить работу
Добавить в избранное
Добавить рекомендацию
Пожаловаться
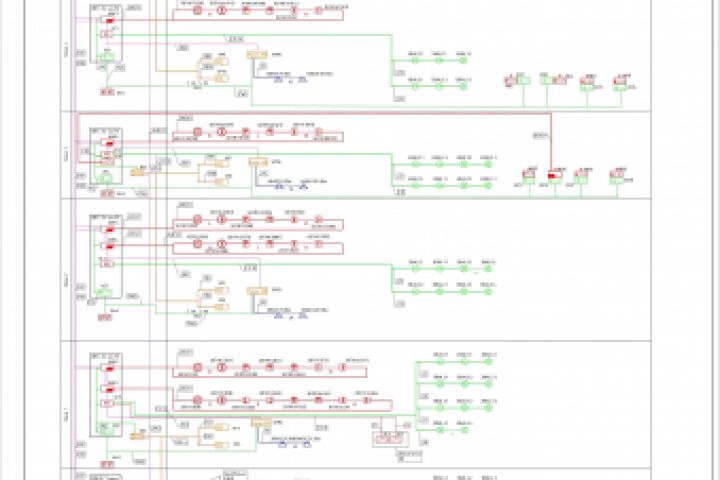
Инженерия
31
0
СПС
Используемые навыки:
Слаботочные системы
Описание
Решение
Результат
Соавторы
Презентация проекта
Примеры реализации
Описание
Презентация проекта
Оценили проект:
0
×
Оценили проект
×
Авторизация
Для того чтобы оценивать проекты, вам нужно войти на сайт
Другие проекты
Все проекты
АУГПТ
СКУД
АО
FREELANCE.RU
Toggle navigation
Нанять фрилансера
Заказчику
Найти по специализации
Найти по услугам
Провести конкурс
Разместить задание
Виртуальный HR
Найти студию
Другое
Найти работу
Фрилансеру
Найти задание
Присоединиться к команде
Участвовать в конкурсе
Предложить услугу
Другое
Возможности
Для заказчика
Для фрилансера
Вход
Разместить задание
▲