Затвор
Для полной функциональности этого сайта необходимо включить JavaScript.
На сайте с: 09.02.2023
Евгений Алтухов
evgeni777
Рейтинг: 52
не верифицирован
Всего отзывов:
0
Работ в портфолио:
2
Типовых услуг:
0
Работ на продажу:
0
Был на сайте:
2023-02-10 в 12:19
inbox
Предложить работу
Добавить в избранное
Добавить рекомендацию
Пожаловаться
Инженерия
18
0
Затвор
Используемые навыки:
Машиностроение
Описание
Решение
Результат
Соавторы
Презентация проекта
Примеры реализации
Описание
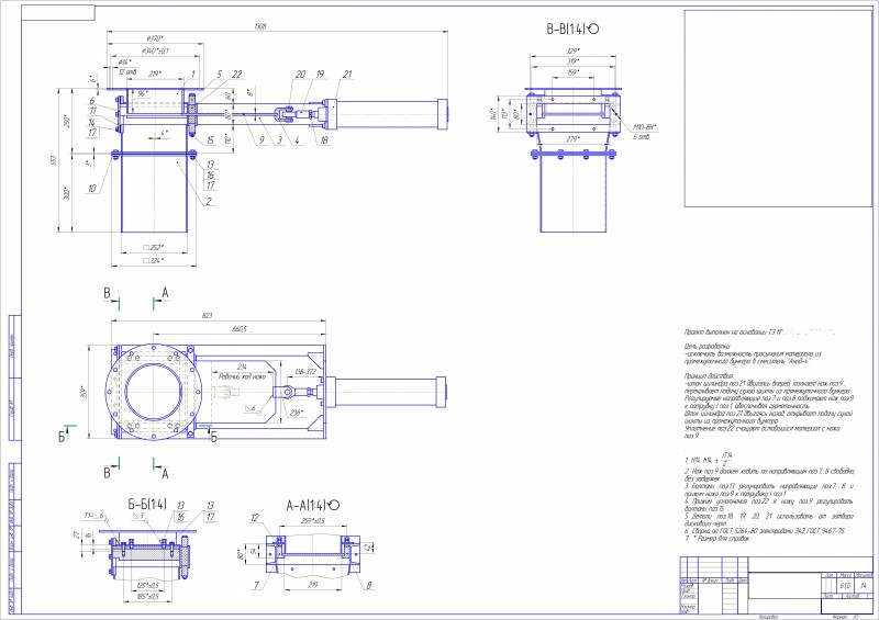
Затвор шиберный
Презентация проекта
Оценили проект:
0
×
Оценили проект
×
Авторизация
Для того чтобы оценивать проекты, вам нужно войти на сайт
Другие проекты
Все проекты
Вал
FREELANCE.RU
Toggle navigation
Нанять фрилансера
Заказчику
Найти по специализации
Найти по услугам
Провести конкурс
Разместить задание
Другое
Найти работу
Фрилансеру
Найти задание
Присоединиться к команде
Участвовать в конкурсе
Другое
Возможности
Для заказчика
Для фрилансера
Вход
Разместить задание
▲