Если удача повернулась к вам задом - пните её! Она обернется.

Дмитрий Зотов zontik78

Рейтинг: 74
Паспорт верифицирован
Всего отзывов: 0
  • Работ в портфолио: 4
  • Типовых услуг: 1
  • Работ на продажу: 0
  • Возраст: 47 лет
  • Стаж работы: 25 лет
  • Зарегистрирован: 02.02.2023
  • Образование: Магистратура
  • Юридический статус:Самозанятый
  • Стоимость услуг (руб): 180 000 за месяц
Был на сайте:

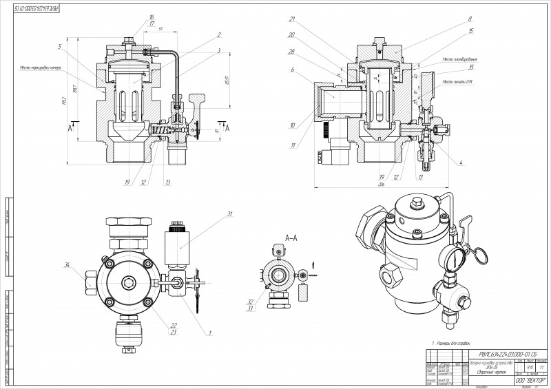
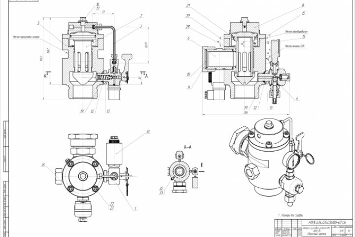
Запорно-пусковое устройство

Используемые навыки:

Описание

Запорно-пусковое устройство. Сборочный чертеж.

Презентация проекта

pic4403447.jpg

Оценили проект:

0