Интересная работа всегда есть!

Аyaz Faizullin Gar21

Рейтинг: 138
не верифицирован
Всего отзывов: 9 0
Выполнил заданий: 9
  • Активность:
  • Работ в портфолио: 23
  • Типовых услуг: 0
  • Работ на продажу: 0
  • Зарегистрирован: 25.11.2014
Был на сайте:

Теория автоматического управления. Исследование линейной системы

Используемые навыки:

Описание

Цель: целью выполнения расчетно-графической работы (РГР) являются анализ устойчивости и оценка качества модели линейной системы управления.
Задачи:
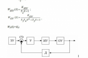
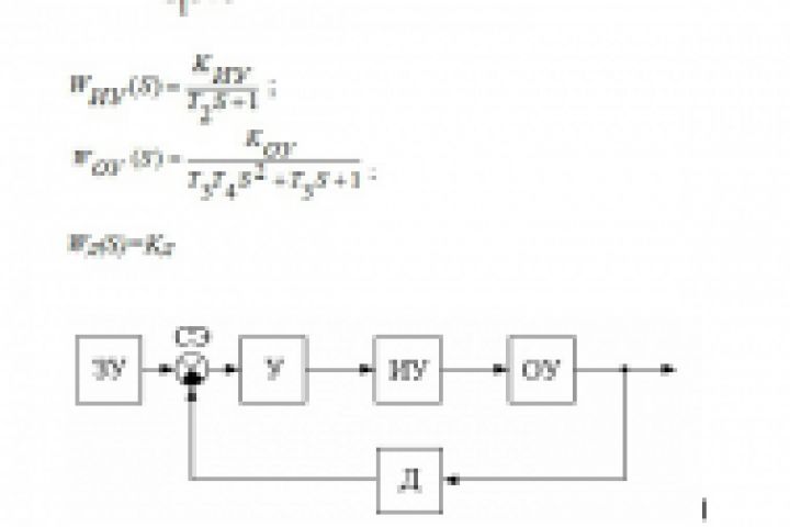
Линейная система управления включает в себя следующие функциональные элементы: объект управления ОУ, датчик Д, задающее устройство ЗУ, сравнивающий элемент СЭ, усилитель У, исполнительное устройство ИУ. Система работает по принципу управления по отклонению. Функциональная схема системы приведена на рисунке 1. Элементы системы имеют следующие передаточные функции:
В расчетно-графическом задании необходимо:
- определить устойчивость системы по критерию Гурвица;
- определить устойчивость системы по критерию Михайлова;
- построить область устойчивости по коэффициенту усиления системы
методом Д-разбиения;
- провести моделирование системы с помощью программного комплекса
«МВТУ»;
- по полученной переходной функции оценить устойчивость системы;
- в случае устойчивой системы определить показатели качества системы в
установившемся и переходном режимах;
- построить логарифмические частотные характеристики; оценить по ним
устойчивость системы; определить запасы устойчивости по амплитуде и фазе;
- построить амплитудно-фазовую характеристику, по критерию Найквиста
оценить устойчивость, в случае устойчивой системы определить запасы устой-
чивости по амплитуде и фазе;
- построить переходной процесс при критическом значении коэффициента
усиления У (Усилителя)
Исходные данные:
Кд=0,2;
Киу=0,58;
Кну=0,5;
Ку=10;
Т1=0,66;
Т2=0,2;
Т3=0,72;
Т4=0,07;

Презентация проекта

pic3066779.jpg
Solution.jpg

Оценили проект:

0