Рейтинг: 76
не верифицирован
Всего отзывов: 0
Опубликовал заданий: 3
  • Работ в портфолио: 16
  • Типовых услуг: 0
  • Работ на продажу: 0
  • Возраст: 40 лет
  • Зарегистрирован: 27.07.2014
Был на сайте:

Wincc flexible

Используемые навыки:

Описание

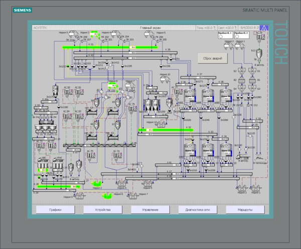
Сенсорная панель Siemens. Автоматизированная система управления элеватором.
Проект wincc flexible 2008. Панель управления дублирует основные функции
автоматизированного рабочего места оператора.

Презентация проекта

pic2681341.jpg

Оценили проект:

0