Труд красит человека

Андрей Шмелев rikkajp

Рейтинг: 72
Паспорт верифицирован
Всего отзывов: 0
  • Работ в портфолио: 2
  • Типовых услуг: 0
  • Работ на продажу: 0
  • Возраст: 28 лет
  • Зарегистрирован: 07.04.2023
Был на сайте:

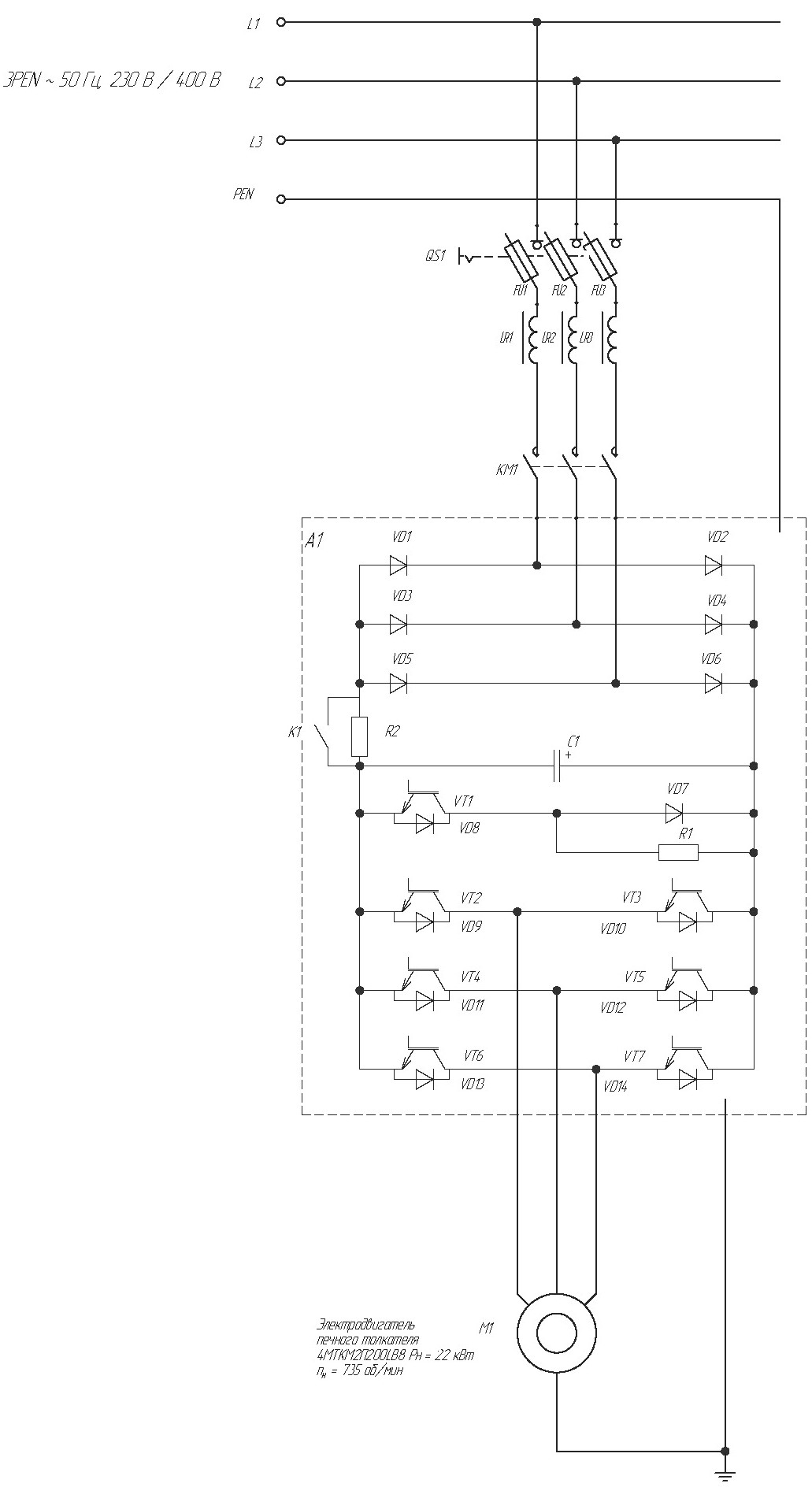
Электрическая принципиальная схема силовой части преобразователя

Используемые навыки:

Описание

Данная схема была подготовленна в рамках моей ВКР

Презентация проекта

pic4427795.jpg

Оценили проект:

0