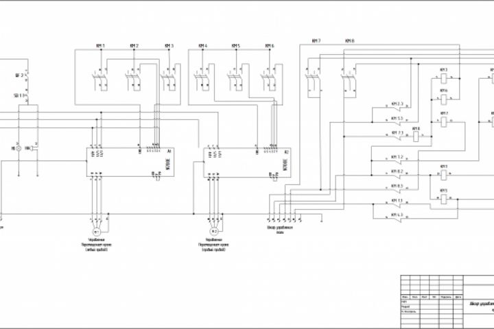
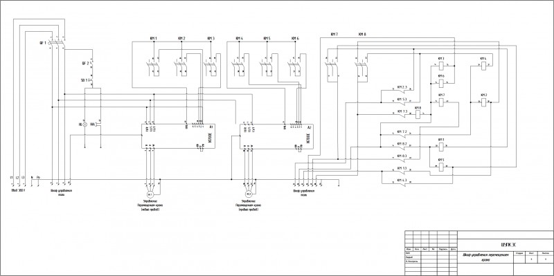
Шкаф управления перемещением крана
Для полной функциональности этого сайта необходимо включить JavaScript.
Ковров
54 года
На сайте с: 11.03.2020
Роман Логинов
roman280471
Рейтинг: 53
не верифицирован
Всего отзывов:
0
Работ в портфолио:
3
Типовых услуг:
0
Работ на продажу:
0
Был на сайте:
2023-08-24 в 17:54
inbox
Предложить работу
Добавить в избранное
Добавить рекомендацию
Пожаловаться
Инженерия
6
0
Шкаф управления перемещением крана
Используемые навыки:
Чертежи/Схемы
Описание
Решение
Результат
Соавторы
Презентация проекта
Примеры реализации
Описание
Презентация проекта
Оценили проект:
0
×
Оценили проект
×
Авторизация
Для того чтобы оценивать проекты, вам нужно войти на сайт
Другие проекты
Все проекты
Электрическая схема КРУЭ 110
Схема автоматического регулирования температуры
FREELANCE.RU
Toggle navigation
Нанять фрилансера
Заказчику
Найти по специализации
Найти по услугам
Провести конкурс
Разместить задание
Виртуальный HR
Другое
Найти работу
Фрилансеру
Найти задание
Присоединиться к команде
Участвовать в конкурсе
Предложить услугу
Другое
Возможности
Для заказчика
Для фрилансера
Вход
Разместить задание
▲