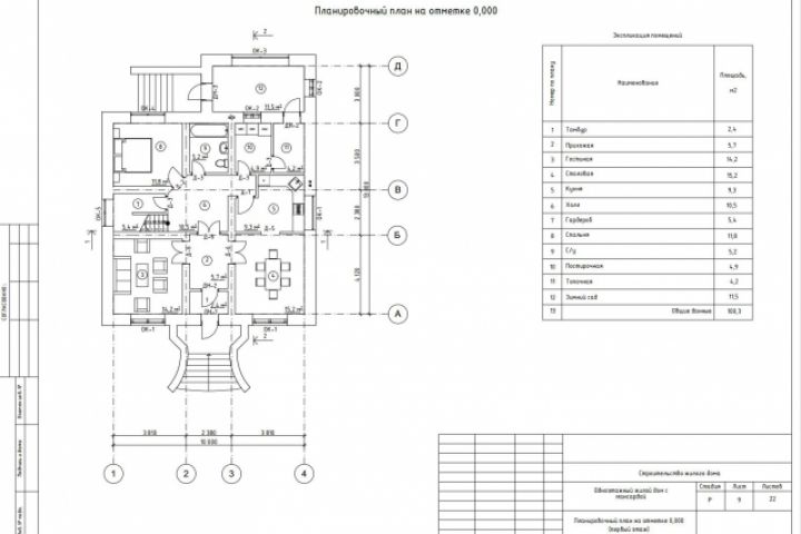
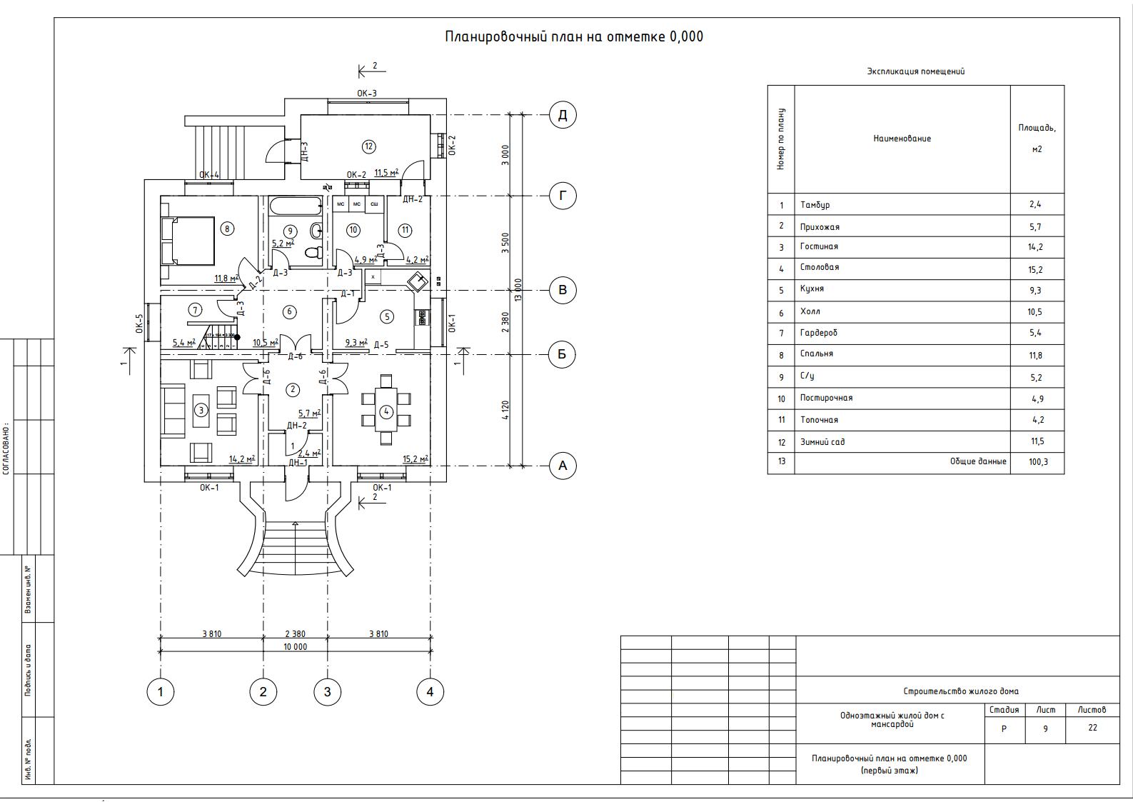
Одноэтажный жилой дом с мансардой
Для полной функциональности этого сайта необходимо включить JavaScript.
Уфа
На сайте с: 26.06.2014
Руслан Галиуллин
kuran
Рейтинг: 54
не верифицирован
Всего отзывов:
0
Работ в портфолио:
4
Типовых услуг:
0
Работ на продажу:
0
Был на сайте:
2023-09-01 в 14:29
89872528744
inbox
Вконтакте
Предложить работу
Добавить в избранное
Добавить рекомендацию
Пожаловаться
Инженерия
7
0
Одноэтажный жилой дом с мансардой
Используемые навыки:
Проектирование объектов
Описание
Решение
Результат
Соавторы
Презентация проекта
Примеры реализации
Описание
Одноэтажный жилой дом с мансардой
Презентация проекта
Оценили проект:
0
×
Оценили проект
×
Авторизация
Для того чтобы оценивать проекты, вам нужно войти на сайт
Другие проекты
Все проекты
Банный комплекс с бассейном
Блокированный жилой двухквартирный дом
Одноэтажный мансардный жилой дом
FREELANCE.RU
Toggle navigation
Нанять фрилансера
Заказчику
Найти по специализации
Найти по услугам
Провести конкурс
Разместить задание
Другое
Найти работу
Фрилансеру
Найти задание
Присоединиться к команде
Участвовать в конкурсе
Другое
Возможности
Для заказчика
Для фрилансера
Вход
Разместить задание
▲