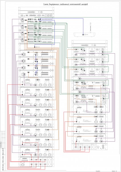
Монтажная схема стойки СОУЭ
Для полной функциональности этого сайта необходимо включить JavaScript.
Санкт-Петербург
39 лет
На сайте с: 02.05.2012
Владислав Самылин
sweix
Рейтинг: 118
не верифицирован
Всего отзывов:
0
Опубликовал заданий:
5
Активность:
Работ в портфолио:
18
Типовых услуг:
0
Работ на продажу:
0
Был на сайте:
2023-09-18 в 17:30
Предложить работу
Добавить в избранное
Добавить рекомендацию
Пожаловаться
Инженерия
31
0
Монтажная схема стойки СОУЭ
Используемые навыки:
Слаботочные системы
Описание
Решение
Результат
Соавторы
Презентация проекта
Примеры реализации
Описание
Монтажная схема стойки СОУЭ
Презентация проекта
Оценили проект:
0
×
Оценили проект
×
Авторизация
Для того чтобы оценивать проекты, вам нужно войти на сайт
Другие проекты
Все проекты
План СКС в здании амбулатории
Схема АУППТ в паркинге
Схема компоновки шкафа с оборудованием "Болид"
FREELANCE.RU
Toggle navigation
Нанять фрилансера
Заказчику
Найти по специализации
Найти по услугам
Провести конкурс
Разместить задание
Другое
Найти работу
Фрилансеру
Найти задание
Присоединиться к команде
Участвовать в конкурсе
Другое
Возможности
Для заказчика
Для фрилансера
Вход
Разместить задание
▲