Схемотехника
Для полной функциональности этого сайта необходимо включить JavaScript.
Шымкент (Чимкент)
На сайте с: 26.02.2014
Владислав Рязанцев
Ryazancev.V
Рейтинг: 65
не верифицирован
Всего отзывов:
0
Работ в портфолио:
5
Типовых услуг:
0
Работ на продажу:
0
Был на сайте:
2023-11-01 в 02:49
+7-771-248-58-54
inbox
Вконтакте
Предложить работу
Добавить в избранное
Добавить рекомендацию
Пожаловаться
Инженерия
72
0
Схемотехника
Используемые навыки:
Чертежи/Схемы
Описание
Решение
Результат
Соавторы
Презентация проекта
Примеры реализации
Описание
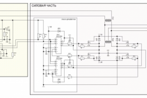
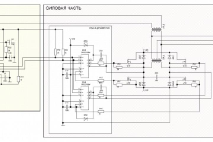
Разработка схемотехники любой сложности.
Презентация проекта
Оценили проект:
0
×
Оценили проект
×
Авторизация
Для того чтобы оценивать проекты, вам нужно войти на сайт
Другие проекты
Все проекты
Разработка электроники
Промышленный дизайн
Модель бутылки для изготовления пресс-форм
FREELANCE.RU
Toggle navigation
Нанять фрилансера
Заказчику
Найти по специализации
Найти по услугам
Провести конкурс
Разместить задание
Другое
Найти работу
Фрилансеру
Найти задание
Присоединиться к команде
Участвовать в конкурсе
Другое
Возможности
Для заказчика
Для фрилансера
Вход
Разместить задание
▲