ТП
Для полной функциональности этого сайта необходимо включить JavaScript.
43 года
На сайте с: 23.11.2011
Сергей Лозов
sergeylozov
Рейтинг: 67
не верифицирован
Всего отзывов:
0
Нейросаммари
Работ в портфолио:
7
Типовых услуг:
0
Работ на продажу:
0
Был на сайте:
2025-08-02 в 00:16
IСQ - 480780024
inbox
lozov.sergey@gmail.com
Предложить работу
Добавить в избранное
Добавить рекомендацию
Пожаловаться
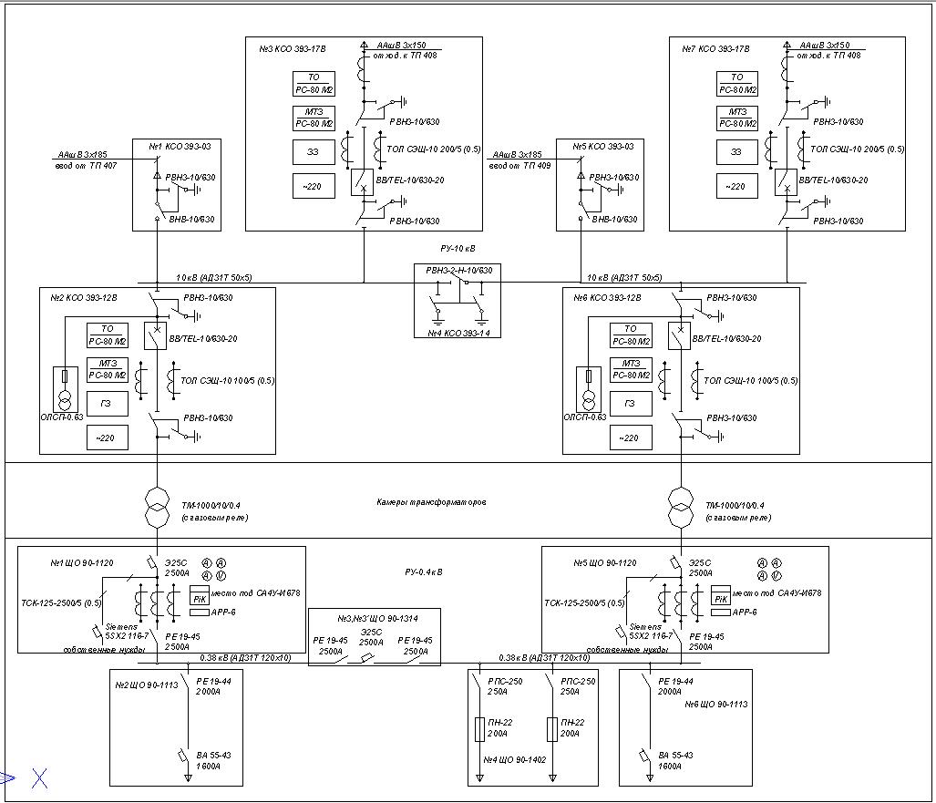
Инженерия
8
0
ТП
Используемые навыки:
Электроснабжение
Описание
Решение
Результат
Соавторы
Презентация проекта
Примеры реализации
Описание
Презентация проекта
Оценили проект:
0
×
Оценили проект
×
Авторизация
Для того чтобы оценивать проекты, вам нужно войти на сайт
Другие проекты
Все проекты
ЩР
Схемы
ТП
FREELANCE.RU
Toggle navigation
Нанять фрилансера
Заказчику
Найти по специализации
Найти по услугам
Провести конкурс
Разместить задание
Другое
Найти работу
Фрилансеру
Найти задание
Присоединиться к команде
Участвовать в конкурсе
Другое
Возможности
Для заказчика
Для фрилансера
Вход
Разместить задание
▲