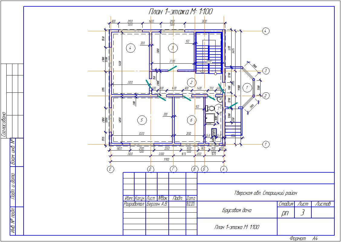
Дача Тверская одласть
Для полной функциональности этого сайта необходимо включить JavaScript.
Челябинск
На сайте с: 11.01.2012
Проектирование. Каркасные дома, фахверк, брус, газобетон и т.д.
Александр Берген
bergen77
Рейтинг: 385
Паспорт верифицирован
Всего отзывов:
22
0
Выполнил заданий:
23
Опубликовал заданий:
17
Активность:
Работ в портфолио:
223
Типовых услуг:
0
Работ на продажу:
0
Был на сайте:
2024-02-10 в 10:30
Предложить работу
Добавить в избранное
Добавить рекомендацию
Пожаловаться
Инженерия
34
0
Дача Тверская одласть
Используемые навыки:
Проектирование объектов
Описание
Решение
Результат
Соавторы
Презентация проекта
Примеры реализации
Описание
Презентация проекта
Оценили проект:
0
×
Оценили проект
×
Авторизация
Для того чтобы оценивать проекты, вам нужно войти на сайт
Другие проекты
Все проекты
Каркасный дом, г. Санкт-Петербург
Каркасник
Каркасный дом
FREELANCE.RU
Toggle navigation
Нанять фрилансера
Заказчику
Найти по специализации
Найти по услугам
Провести конкурс
Разместить задание
Виртуальный HR
Другое
Найти работу
Фрилансеру
Найти задание
Присоединиться к команде
Участвовать в конкурсе
Предложить услугу
Другое
Возможности
Для заказчика
Для фрилансера
Вход
Разместить задание
▲