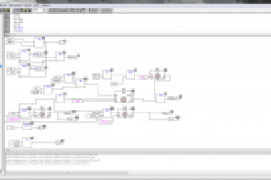
Система управления объектом (CoDeSys). Фрагмент
Для полной функциональности этого сайта необходимо включить JavaScript.
Москва
На сайте с: 24.03.2014
Игорь Ковалев
gooffer
Рейтинг: 55
не верифицирован
Всего отзывов:
0
Работ в портфолио:
5
Типовых услуг:
0
Работ на продажу:
0
Был на сайте:
2025-07-24 в 08:28
8 926 664 05 36
inbox
gooffer.info@gmail.com
Предложить работу
Добавить в избранное
Добавить рекомендацию
Пожаловаться
ИТ и Разработка
141
0
Система управления объектом (CoDeSys). Фрагмент
Используемые навыки:
Embedded System
Описание
Решение
Результат
Соавторы
Презентация проекта
Примеры реализации
Описание
Презентация проекта
Оценили проект:
0
×
Оценили проект
×
Авторизация
Для того чтобы оценивать проекты, вам нужно войти на сайт
Другие проекты
Все проекты
3D проект шкафа управления. AutoCAD
Система управления (OWEN Logic)
Система управления объектом. HMI (Weintek. EasyBuilder8000)
FREELANCE.RU
Toggle navigation
Нанять фрилансера
Заказчику
Найти по специализации
Найти по услугам
Провести конкурс
Разместить задание
Виртуальный HR
Другое
Найти работу
Фрилансеру
Найти задание
Присоединиться к команде
Участвовать в конкурсе
Другое
Возможности
Для заказчика
Для фрилансера
Вход
Разместить задание
▲