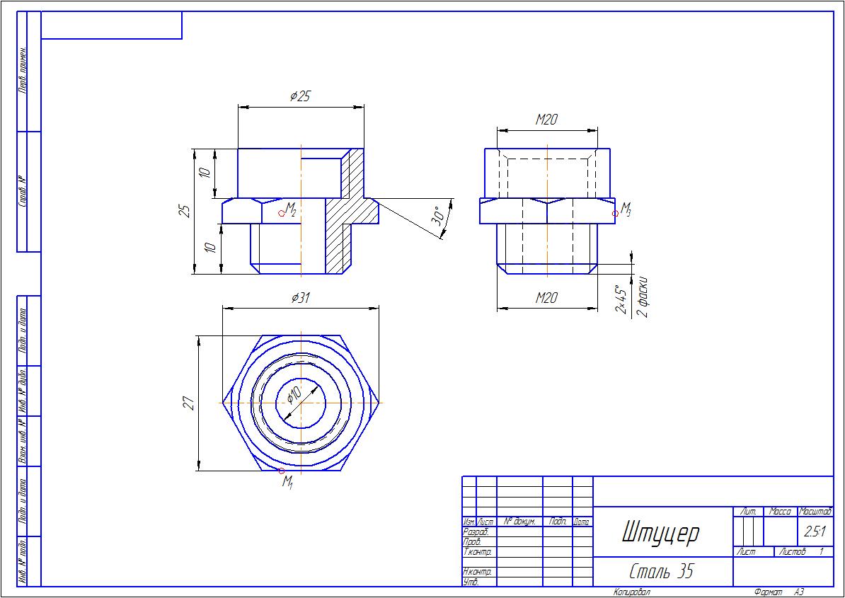
Штуцер
Для полной функциональности этого сайта необходимо включить JavaScript.
Львов
На сайте с: 16.08.2012
Валерий Савченко
xugack
Рейтинг: 109
не верифицирован
Всего отзывов:
4
0
Выполнил заданий:
4
Активность:
Работ в портфолио:
19
Типовых услуг:
0
Работ на продажу:
0
Был на сайте:
2024-04-04 в 20:40
inbox
xugack.blogspot.com
Предложить работу
Добавить в избранное
Добавить рекомендацию
Пожаловаться
Инженерия
45
0
Штуцер
Используемые навыки:
Чертежи/Схемы
Описание
Решение
Результат
Соавторы
Презентация проекта
Примеры реализации
Описание
Разработка чертежа детали по фото.
Презентация проекта
Оценили проект:
0
×
Оценили проект
×
Авторизация
Для того чтобы оценивать проекты, вам нужно войти на сайт
Другие проекты
Все проекты
Модель мины ПОМ-2
Полки над гусеницами
Интерактивная модель
FREELANCE.RU
Toggle navigation
Нанять фрилансера
Заказчику
Найти по специализации
Найти по услугам
Провести конкурс
Разместить задание
Виртуальный HR
Другое
Найти работу
Фрилансеру
Найти задание
Присоединиться к команде
Участвовать в конкурсе
Предложить услугу
Другое
Возможности
Для заказчика
Для фрилансера
Вход
Разместить задание
▲