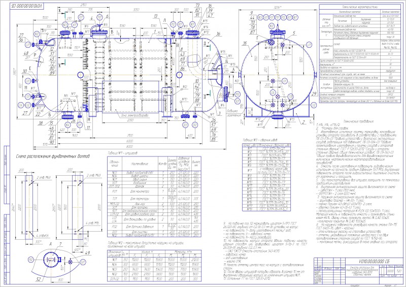
емкость изобутана
Для полной функциональности этого сайта необходимо включить JavaScript.
Санкт-Петербург
На сайте с: 05.04.2015
Дмитрий
nepdmvalfr
Рейтинг: 56
не верифицирован
Всего отзывов:
0
Работ в портфолио:
16
Типовых услуг:
0
Работ на продажу:
0
Был на сайте:
2024-04-05 в 12:32
inbox
nepdmval@rambler.ru
Предложить работу
Добавить в избранное
Добавить рекомендацию
Пожаловаться
Инженерия
17
0
емкость изобутана
Описание
Решение
Результат
Соавторы
Презентация проекта
Примеры реализации
Описание
Презентация проекта
Оценили проект:
0
×
Оценили проект
×
Авторизация
Для того чтобы оценивать проекты, вам нужно войти на сайт
Другие проекты
Все проекты
испаритель атмосферный
арматурная сборка
модуль 4
FREELANCE.RU
Toggle navigation
Нанять фрилансера
Заказчику
Найти по специализации
Найти по услугам
Провести конкурс
Разместить задание
Виртуальный HR
Другое
Найти работу
Фрилансеру
Найти задание
Присоединиться к команде
Участвовать в конкурсе
Предложить услугу
Другое
Возможности
Для заказчика
Для фрилансера
Вход
Разместить задание
▲