Проектирование стекла
Для полной функциональности этого сайта необходимо включить JavaScript.
Санкт-Петербург
21 год
На сайте с: 11.07.2024
Михаил Базанов
mikhailbazanov04
Рейтинг: 72
не верифицирован
Всего отзывов:
0
Работ в портфолио:
2
Типовых услуг:
0
Работ на продажу:
0
Был на сайте:
2024-07-12 в 11:12
89046144639
inbox
telegram
whatsapp
Предложить работу
Добавить в избранное
Добавить рекомендацию
Пожаловаться
Инженерия
8
0
Проектирование стекла
Используемые навыки:
Чертежи/Схемы
Описание
Решение
Результат
Соавторы
Презентация проекта
Примеры реализации
Описание
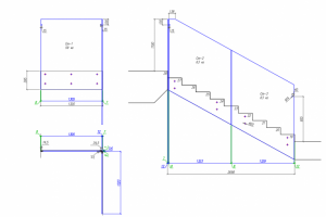
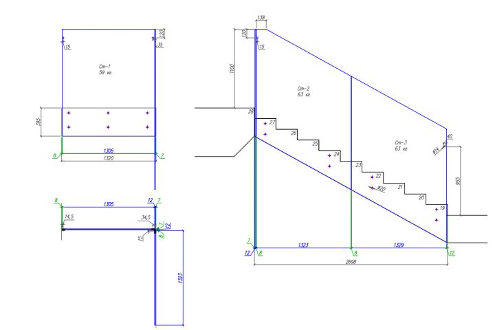
Проектирование стекла для лестниц.
Презентация проекта
Оценили проект:
0
×
Оценили проект
×
Авторизация
Для того чтобы оценивать проекты, вам нужно войти на сайт
Другие проекты
Все проекты
BIM визуализация загородного дома в программе Renga
FREELANCE.RU
Toggle navigation
Нанять фрилансера
Заказчику
Найти по специализации
Найти по услугам
Провести конкурс
Разместить задание
Другое
Найти работу
Фрилансеру
Найти задание
Присоединиться к команде
Участвовать в конкурсе
Другое
Возможности
Для заказчика
Для фрилансера
Вход
Разместить задание
▲