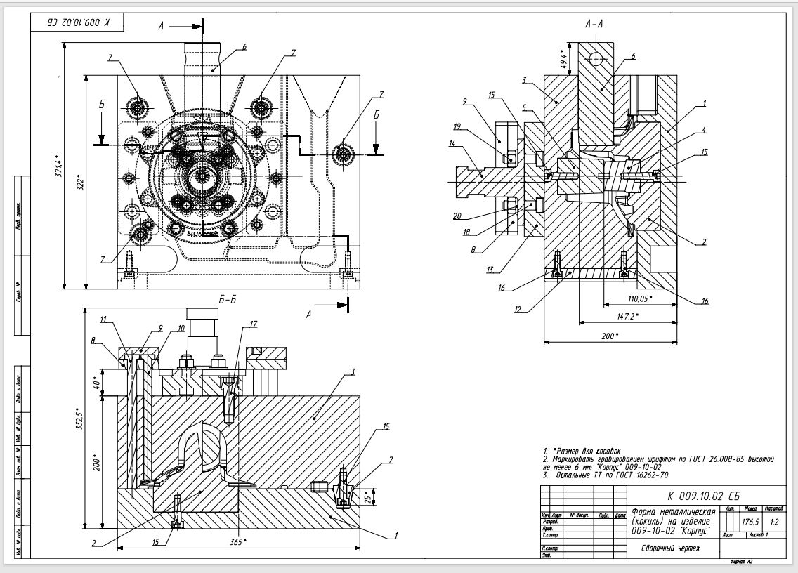
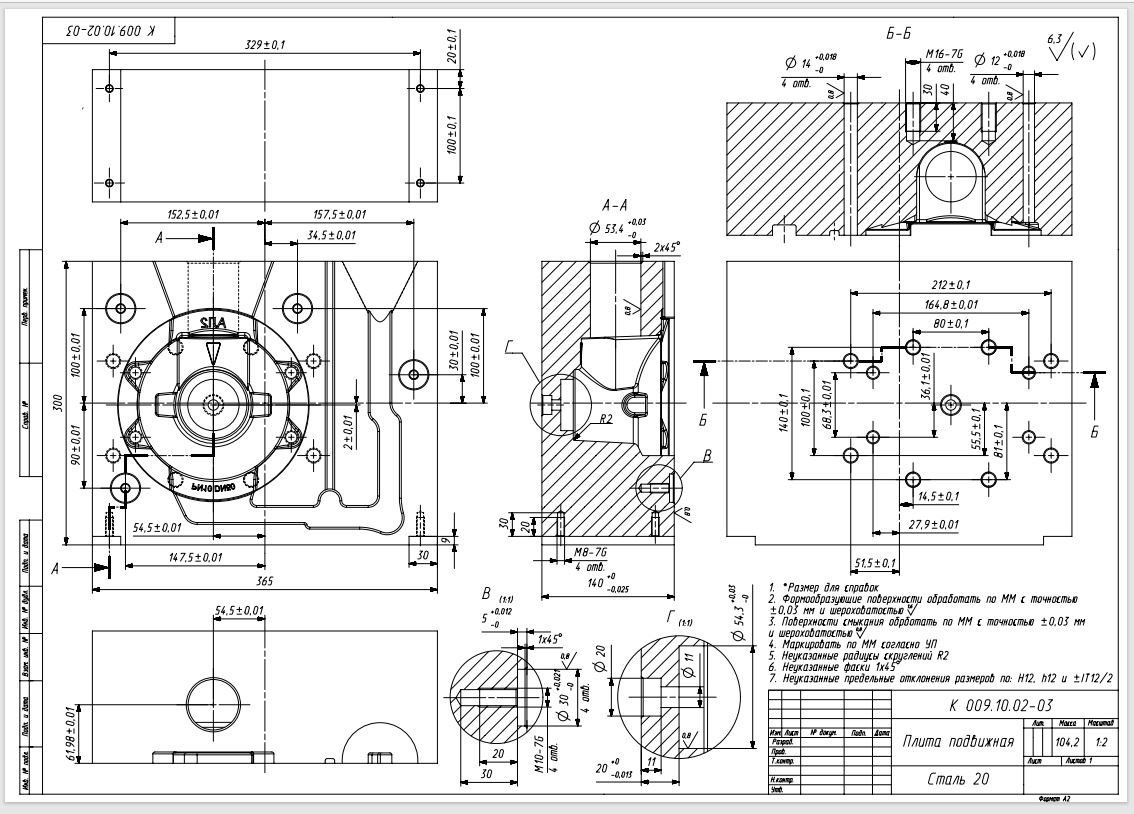
Кокиль для крышки
Для полной функциональности этого сайта необходимо включить JavaScript.
Ульяновск
Проект от визуализации до конструкторской документации.
Александр Самаркин
theaveunion
Рейтинг: 430
Паспорт верифицирован
Всего отзывов:
22
0
Выполнил заданий:
23
Нейросаммари
Активность:
Работ в портфолио:
82
Типовых услуг:
0
Работ на продажу:
0
Возраст:
29 лет
Зарегистрирован:
18.05.2018
Был на сайте:
2025-12-27 в 17:28
+79084728087
Написать Александр Самаркин
samarkinalex@yandex.ru
Предложить работу
Добавить в избранное
Добавить рекомендацию
telegram
whatsapp
Пожаловаться
Инженерия
69
0
Кокиль для крышки
Используемые навыки:
Машиностроение
Описание
Решение
Результат
Соавторы
Презентация проекта
Примеры реализации
Описание
Кокиль для крышки
Презентация проекта
Оценили проект:
0
×
Оценили проект
×
Авторизация
Для того чтобы оценивать проекты, вам нужно войти на сайт
Другие проекты
Все проекты
Корпус прибора "Ультразвуковой расходомер-счетчик газа"
Цветочная тумба
Рабочий чертеж плиты
FREELANCE.RU
Toggle navigation
Нанять фрилансера
Заказчику
Каталог фрилансеров
Каталог PRO
Каталог студий
Каталог услуг
Каталог работ
Виртуальный HR
Умный поиск
Провести конкурс
Разместить задание
Найти работу
Найти задание
Присоединиться к команде
Участвовать в конкурсе
Предложить услугу
Вход
Разместить задание
▲