Выкорчевыватель пней
Для полной функциональности этого сайта необходимо включить JavaScript.
Ульяновск
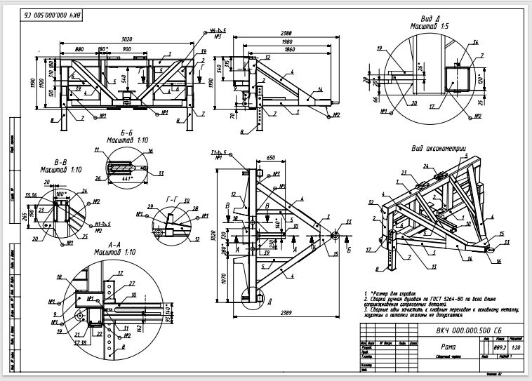
Проект от визуализации до конструкторской документации.
Александр Самаркин
theaveunion
Рейтинг: 430
Паспорт верифицирован
Всего отзывов:
22
0
Выполнил заданий:
23
Нейросаммари
Активность:
Работ в портфолио:
82
Типовых услуг:
0
Работ на продажу:
0
Возраст:
29 лет
Зарегистрирован:
18.05.2018
Был на сайте:
2025-12-27 в 17:28
+79084728087
inbox
telegram
whatsapp
samarkinalex@yandex.ru
Предложить работу
Добавить в избранное
Добавить рекомендацию
Пожаловаться
Инженерия
138
0
Выкорчевыватель пней
Используемые навыки:
Проектирование объектов
Описание
Решение
Результат
Соавторы
Презентация проекта
Примеры реализации
Описание
Выкорчевыватель пня
Презентация проекта
Оценили проект:
0
×
Оценили проект
×
Авторизация
Для того чтобы оценивать проекты, вам нужно войти на сайт
Другие проекты
Все проекты
Геймпад модульный
Лавочка парковая
Написание машиностроительных технологий
FREELANCE.RU
Toggle navigation
Нанять фрилансера
Заказчику
Найти по специализации
Найти по услугам
Провести конкурс
Разместить задание
Виртуальный HR
Найти студию
Другое
Найти работу
Фрилансеру
Найти задание
Присоединиться к команде
Участвовать в конкурсе
Предложить услугу
Другое
Возможности
Для заказчика
Для фрилансера
Вход
Разместить задание
▲