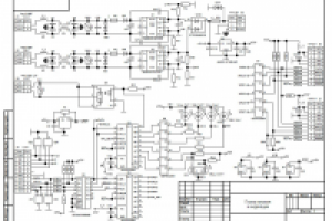
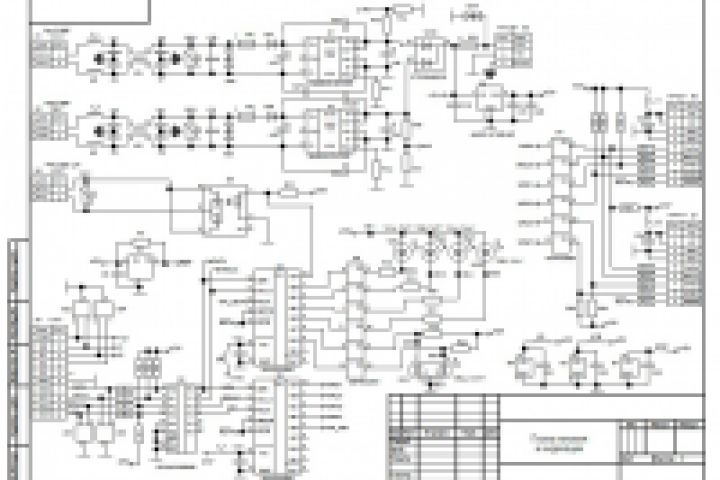
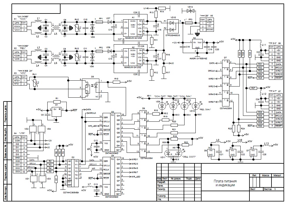
Схема платы питания и индикации
Для полной функциональности этого сайта необходимо включить JavaScript.
На сайте с: 07.05.2008
ergovit
Рейтинг: 73
не верифицирован
Всего отзывов:
0
Нейросаммари
Активность:
Работ в портфолио:
13
Типовых услуг:
0
Работ на продажу:
0
Был на сайте:
2025-02-20 в 14:24
inbox
ergovit@yandex.ru
Предложить работу
Добавить в избранное
Добавить рекомендацию
Пожаловаться
Инженерия
27
0
Схема платы питания и индикации
Используемые навыки:
Чертежи/Схемы
Описание
Решение
Результат
Соавторы
Презентация проекта
Примеры реализации
Описание
Презентация проекта
Оценили проект:
0
×
Оценили проект
×
Авторизация
Для того чтобы оценивать проекты, вам нужно войти на сайт
Другие проекты
Все проекты
3d-разрез насоса 25-175-тнм-бвк-11-10-2-3
Чертёж корпуса
Схема модуля коммутации и управления
FREELANCE.RU
Toggle navigation
Нанять фрилансера
Заказчику
Найти по специализации
Найти по услугам
Провести конкурс
Разместить задание
Собрать команду
Другое
Найти работу
Фрилансеру
Найти задание
Присоединиться к команде
Участвовать в конкурсе
Другое
Возможности
Для заказчика
Для фрилансера
Вход
Разместить задание
▲