Работа, работа и еще раз работа

Александр Дигузов dan_1608

Рейтинг: 85
не верифицирован
Всего отзывов: 1 0
Выполнил заданий: 1
  • Работ в портфолио: 10
  • Типовых услуг: 0
  • Работ на продажу: 0
  • Возраст: 39 лет
  • Зарегистрирован: 06.12.2013
Был на сайте:

АТХ Водозаборной вышки

Используемые навыки:

Описание

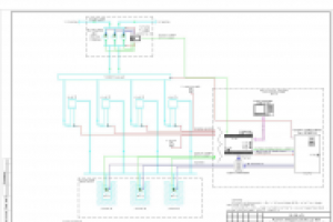
Автоматизация технологических процессов на водозаборной вышке. Проект выполнен на ОВЕН ПЛК160. Особенность каскадное управление тремя 15 кВт насосами через один частотный преобразователь

Презентация проекта

pic2272262.jpg
5-Схема подкл.интерф ВЗУ.jpg
5-Схема подкл.интерф_1_ВЗУ.jpg

Оценили проект:

0