Рейтинг: 77
не верифицирован
Всего отзывов: 0
  • Работ в портфолио: 7
  • Типовых услуг: 0
  • Работ на продажу: 0
  • Возраст: 31 год
  • Зарегистрирован: 18.04.2018
Был на сайте:

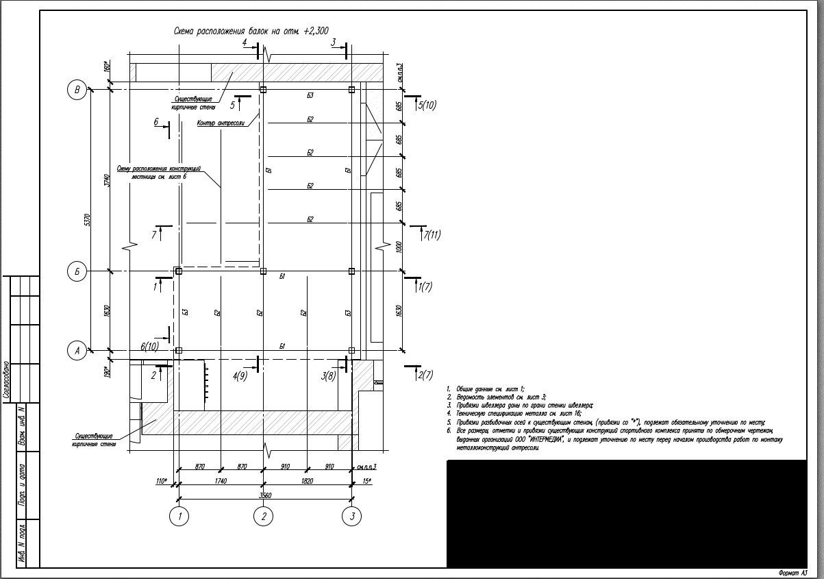
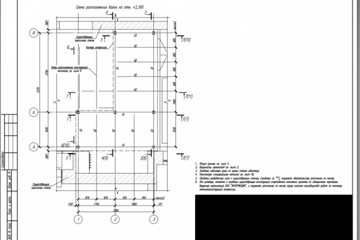
Антресоль второго этажа

Используемые навыки:

Описание

Выполнение проекта стальных конструкций антресоли для устройства второго этажа в существующем здании.

Презентация проекта

pic3905666.jpg

Оценили проект:

0