Рейтинг: 64
Паспорт верифицирован
Всего отзывов: 0
  • Работ в портфолио: 4
  • Типовых услуг: 0
  • Работ на продажу: 0
Был на сайте:

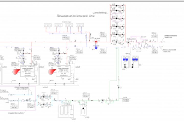
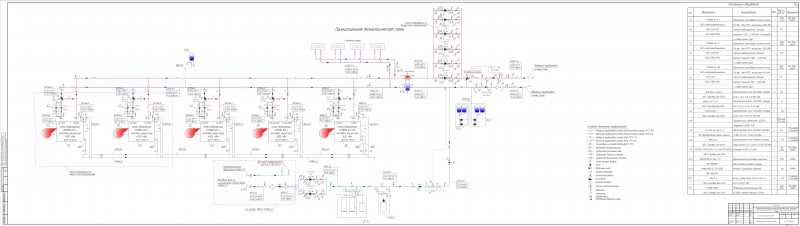
Проект ИОС7 - технологические решения котельной

Описание

Актуальный проект раздела ИОС7 (технологические решения котельной, мощностью 15 МВт).

Презентация проекта

pic4421001.jpg

Оценили проект:

0