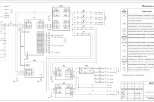
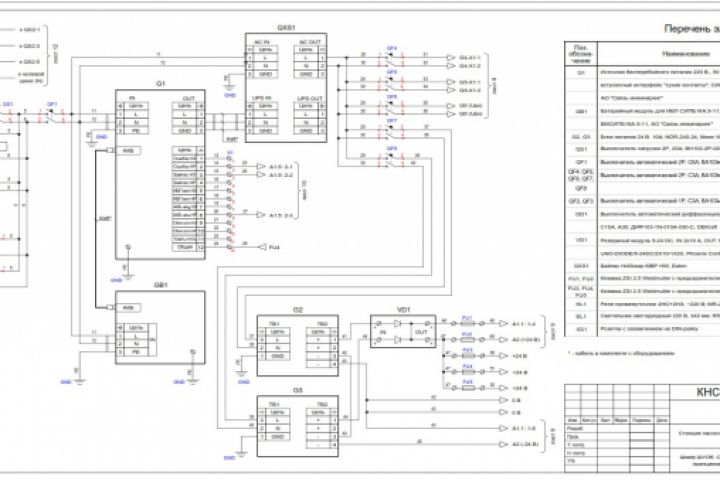
Шкаф автоматики
Для полной функциональности этого сайта необходимо включить JavaScript.
Уфа
На сайте с: 19.09.2017
Владимир
Proekting
Рейтинг: 48
не верифицирован
Всего отзывов:
1
0
Выполнено заданий:
2
Нейросаммари
Работ в портфолио:
3
Типовых услуг:
0
Работ на продажу:
0
Был на сайте:
2025-12-25 в 12:52
inbox
Предложить работу
Добавить в избранное
Добавить рекомендацию
Пожаловаться
Инженерия
20
0
Шкаф автоматики
Описание
Решение
Результат
Соавторы
Презентация проекта
Примеры реализации
Описание
Шкаф автоматики
Презентация проекта
Оценили проект:
0
×
Оценили проект
×
Авторизация
Для того чтобы оценивать проекты, вам нужно войти на сайт
Другие проекты
Все проекты
Школа ОПС
Работа 3538459
FREELANCE.RU
Toggle navigation
Нанять фрилансера
Заказчику
Найти по специализации
Найти по услугам
Провести конкурс
Разместить задание
Виртуальный HR
Другое
Найти работу
Фрилансеру
Найти задание
Присоединиться к команде
Участвовать в конкурсе
Предложить услугу
Другое
Возможности
Для заказчика
Для фрилансера
Вход
Разместить задание
▲