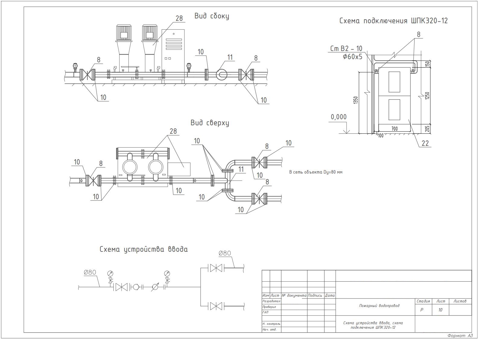
Пожарный водопровод
Для полной функциональности этого сайта необходимо включить JavaScript.
Екатеринбург
Сергей
udp66
Рейтинг: 143
не верифицирован
Всего отзывов:
2
0
Выполнил заданий:
1
Опубликовал заданий:
15
Активность:
Работ в портфолио:
23
Типовых услуг:
0
Работ на продажу:
0
Возраст:
38 лет
Зарегистрирован:
22.01.2015
Был на сайте:
2024-09-10 в 09:19
Предложить работу
Добавить в избранное
Добавить рекомендацию
Пожаловаться
Инженерия
32
0
Пожарный водопровод
Используемые навыки:
Водоснабжение и водоотведение
Описание
Решение
Результат
Соавторы
Презентация проекта
Примеры реализации
Описание
Презентация проекта
Оценили проект:
0
×
Оценили проект
×
Авторизация
Для того чтобы оценивать проекты, вам нужно войти на сайт
Другие проекты
Все проекты
Шахта лифта + организация проемов
Интерьер квартиры
Отопление АБК
FREELANCE.RU
Toggle navigation
Нанять фрилансера
Заказчику
Найти по специализации
Найти по услугам
Провести конкурс
Разместить задание
Виртуальный HR
Найти студию
Другое
Найти работу
Фрилансеру
Найти задание
Присоединиться к команде
Участвовать в конкурсе
Предложить услугу
Другое
Возможности
Для заказчика
Для фрилансера
Вход
Разместить задание
▲