Рейтинг: 67
Паспорт верифицирован
Всего отзывов: 0
Опубликовал заданий: 1
  • Работ в портфолио: 7
  • Типовых услуг: 0
  • Работ на продажу: 0
Был на сайте:

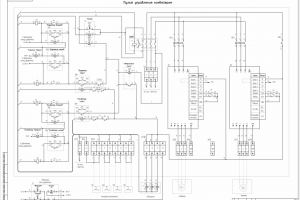
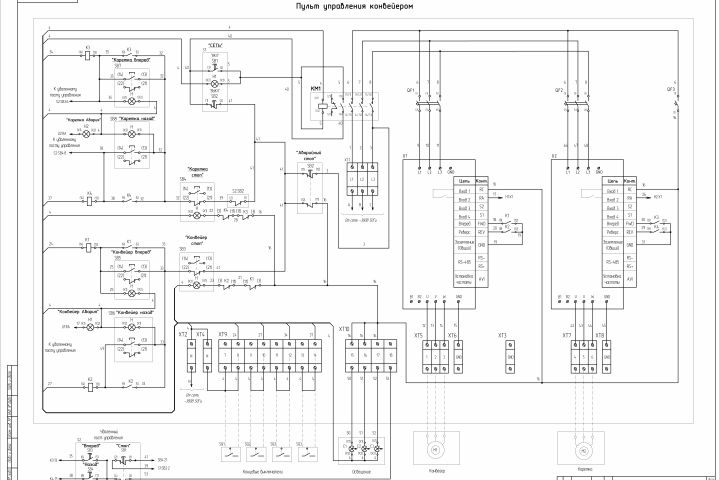
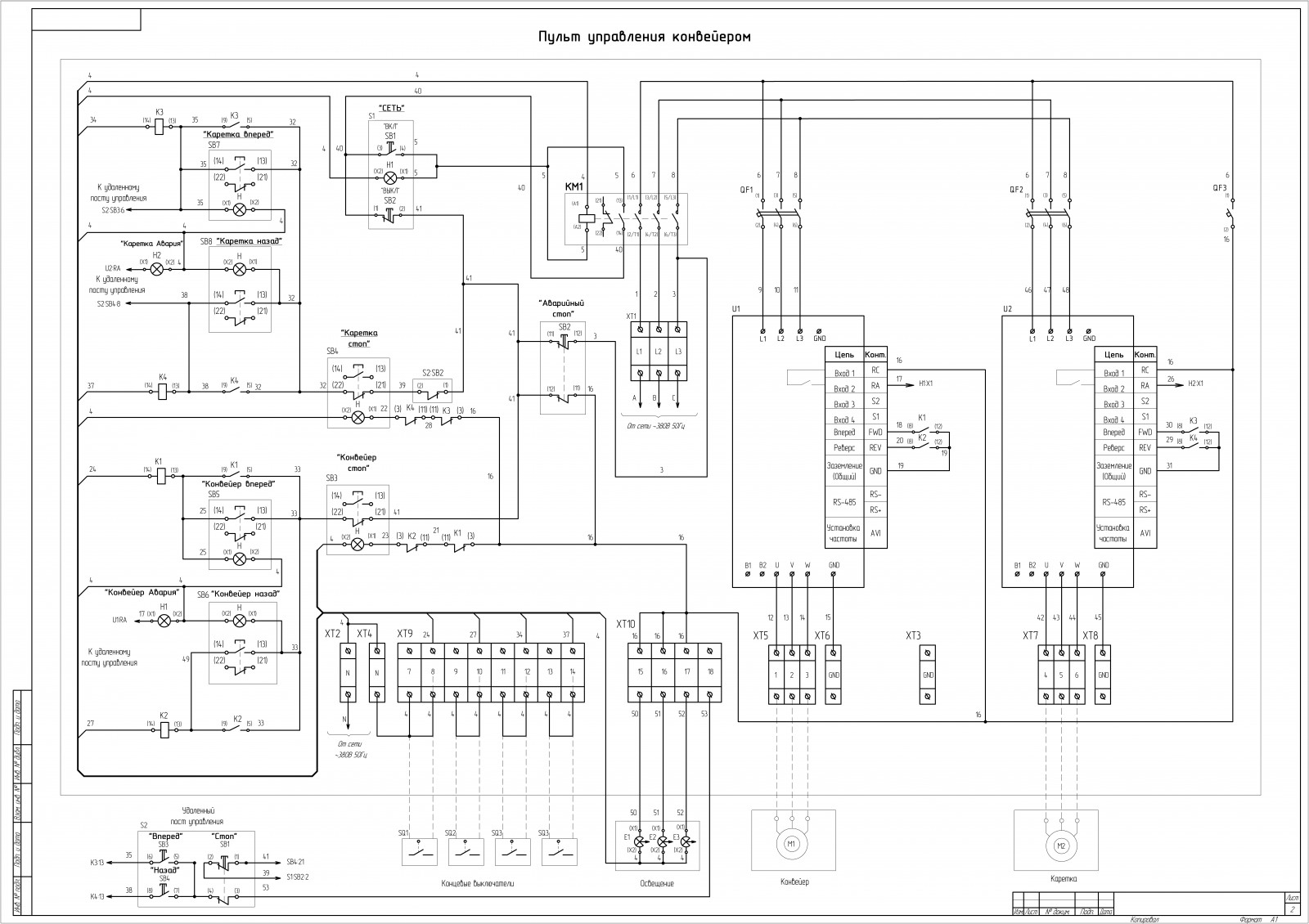
Схема электрическая принципиальная и таблица соединений

Используемые навыки:

Описание

Пульт разработан и изготовлен мной, в настоящее время функционирует больше года в условиях воздействия ВВФ (на улице.)

Презентация проекта

pic4591396.jpg
Пульт управления конвейеом ред1(1).jpg

Оценили проект:

0