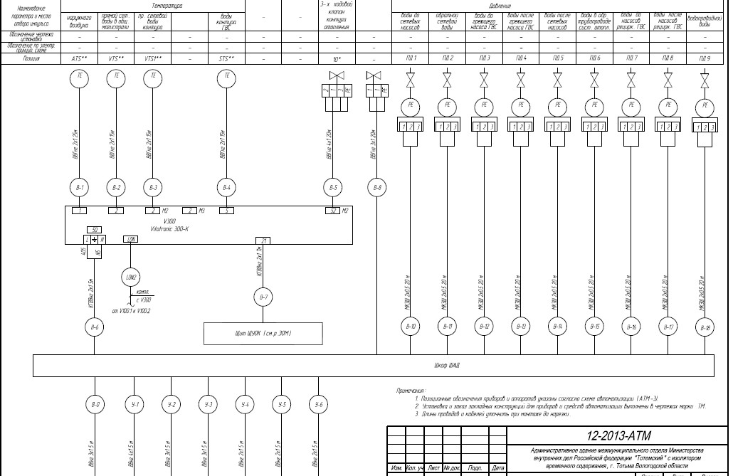
АТМ - котельная МВД ИВС в г. Тотьма
Для полной функциональности этого сайта необходимо включить JavaScript.
Вологда
48 лет
На сайте с: 18.01.2017
Василий Кутенков
varges78
Рейтинг: 89
не верифицирован
Всего отзывов:
0
Нейросаммари
Работ в портфолио:
19
Типовых услуг:
0
Работ на продажу:
0
Был на сайте:
2026-01-16 в 07:36
inbox
Предложить работу
Добавить в избранное
Добавить рекомендацию
Пожаловаться
Инженерия
20
0
АТМ - котельная МВД ИВС в г. Тотьма
Используемые навыки:
Слаботочные системы
Описание
Решение
Результат
Соавторы
Презентация проекта
Примеры реализации
Описание
Презентация проекта
Оценили проект:
0
×
Оценили проект
×
Авторизация
Для того чтобы оценивать проекты, вам нужно войти на сайт
Другие проекты
Все проекты
ЭОМ - коммунальная котельная в п. Октябрьский Архангельской обла
ЭОМ - котельная ВССЗ в г. Вологда, ул. Машиностроительная-26
ЭОМ - котельная 8 МВт в Москве, ул. Большая Внуковская-8
FREELANCE.RU
Toggle navigation
Нанять фрилансера
Заказчику
Найти по специализации
Найти по услугам
Провести конкурс
Разместить задание
Виртуальный HR
Другое
Найти работу
Фрилансеру
Найти задание
Присоединиться к команде
Участвовать в конкурсе
Предложить услугу
Другое
Возможности
Для заказчика
Для фрилансера
Вход
Разместить задание
▲