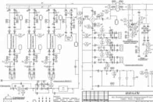
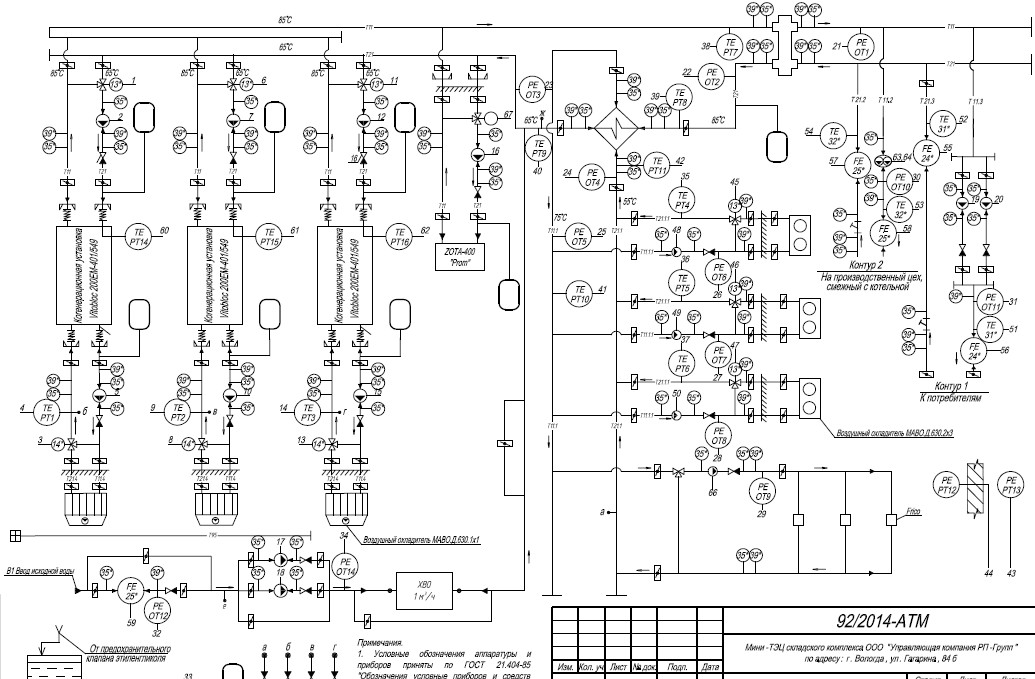
АТМ - мини-ТЭЦ склаского комплекса Русьподшипник в г. Вологда
Для полной функциональности этого сайта необходимо включить JavaScript.
Вологда
48 лет
На сайте с: 18.01.2017
Василий Кутенков
varges78
Рейтинг: 89
не верифицирован
Всего отзывов:
0
Нейросаммари
Работ в портфолио:
19
Типовых услуг:
0
Работ на продажу:
0
Был на сайте:
2026-01-16 в 07:36
inbox
Предложить работу
Добавить в избранное
Добавить рекомендацию
Пожаловаться
Инженерия
44
0
АТМ - мини-ТЭЦ склаского комплекса Русьподшипник в г. Вологда
Используемые навыки:
Слаботочные системы
Описание
Решение
Результат
Соавторы
Презентация проекта
Примеры реализации
Описание
Презентация проекта
Оценили проект:
0
×
Оценили проект
×
Авторизация
Для того чтобы оценивать проекты, вам нужно войти на сайт
Другие проекты
Все проекты
АТМ - паровой котел АК Вологодчина в Шекснинском районе
ЭОМ - мини-ТЭЦ склаского комплекса Русьподшипник в г. Вологда
ЭС - мини-ТЭЦ склаского комплекса Русьподшипник в г. Вологда
FREELANCE.RU
Toggle navigation
Нанять фрилансера
Заказчику
Найти по специализации
Найти по услугам
Провести конкурс
Разместить задание
Виртуальный HR
Другое
Найти работу
Фрилансеру
Найти задание
Присоединиться к команде
Участвовать в конкурсе
Предложить услугу
Другое
Возможности
Для заказчика
Для фрилансера
Вход
Разместить задание
▲