схема
Для полной функциональности этого сайта необходимо включить JavaScript.
Санкт-Петербург
Автоматизация для достижения конкретных финансовых показателей.
Юрий Аксенов
aksenovyuriy
Рейтинг: 78
не верифицирован
Всего отзывов:
0
Нейросаммари
Работ в портфолио:
8
Типовых услуг:
3
Работ на продажу:
0
Возраст:
40 лет
Зарегистрирован:
28.09.2016
Был на сайте:
2026-01-11 в 16:11
+7 981 167 16 07
inbox
telegram
foroney.ru
Предложить работу
Добавить в избранное
Добавить рекомендацию
Пожаловаться
Инженерия
39
0
схема
Используемые навыки:
Электроснабжение
Описание
Решение
Результат
Соавторы
Презентация проекта
Примеры реализации
Описание
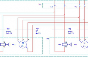
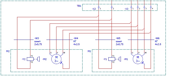
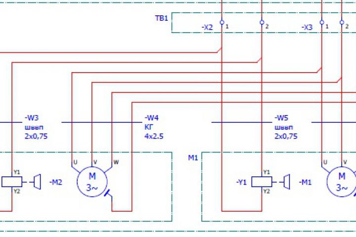
пром. робот
Презентация проекта
Оценили проект:
0
×
Оценили проект
×
Авторизация
Для того чтобы оценивать проекты, вам нужно войти на сайт
Другие проекты
Все проекты
котел
автосклад
чертежи
FREELANCE.RU
Toggle navigation
Нанять фрилансера
Заказчику
Найти по специализации
Найти по услугам
Провести конкурс
Разместить задание
Виртуальный HR
Найти студию
Другое
Найти работу
Фрилансеру
Найти задание
Присоединиться к команде
Участвовать в конкурсе
Предложить услугу
Другое
Возможности
Для заказчика
Для фрилансера
Вход
Разместить задание
▲