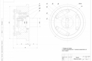
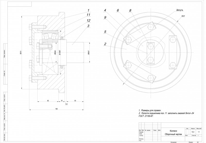
Колесо.Сборочный чертеж
Для полной функциональности этого сайта необходимо включить JavaScript.
Санкт-Петербург
На сайте с: 17.01.2015
Качественно, профессионально, недорого
Алексей
alex5735rz
Рейтинг: 113
не верифицирован
Всего отзывов:
0
Активность:
Работ в портфолио:
43
Типовых услуг:
0
Работ на продажу:
0
Был на сайте:
2024-10-14 в 18:38
inbox
alras_521@mail.ru
www.fl.ru/users/alex375rz/
Вконтакте
Предложить работу
Добавить в избранное
Добавить рекомендацию
Пожаловаться
Инженерия
11
0
Колесо.Сборочный чертеж
Используемые навыки:
Чертежи/Схемы
Описание
Решение
Результат
Соавторы
Презентация проекта
Примеры реализации
Описание
Презентация проекта
Оценили проект:
0
×
Оценили проект
×
Авторизация
Для того чтобы оценивать проекты, вам нужно войти на сайт
Другие проекты
Все проекты
Шестерня
Стол.Сборочный чертеж
Винт натяжной
FREELANCE.RU
Toggle navigation
Нанять фрилансера
Заказчику
Найти по специализации
Найти по услугам
Провести конкурс
Разместить задание
Другое
Найти работу
Фрилансеру
Найти задание
Присоединиться к команде
Участвовать в конкурсе
Другое
Возможности
Для заказчика
Для фрилансера
Вход
Разместить задание
▲