Рейтинг: 96
не верифицирован
Всего отзывов: 1 0
Выполнил заданий: 2
Опубликовал заданий: 5
  • Работ в портфолио: 41
  • Типовых услуг: 0
  • Работ на продажу: 0
Был на сайте:

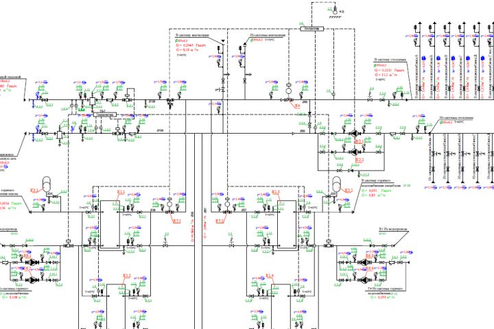
Принципиальная схема индивидуального теплового пункта

Описание

Проектирование тепломеханических решений (ТМ) индивидуального теплового пункта (ИТП).

Презентация проекта

pic4563784.jpg

Оценили проект:

0