Дайте мне правильное ТЗ и мы перевернём землю)))

Игорь Волков iwolf71

Рейтинг: 82
не верифицирован
Всего отзывов: 0
  • Работ в портфолио: 12
  • Типовых услуг: 0
  • Работ на продажу: 0
Был на сайте:

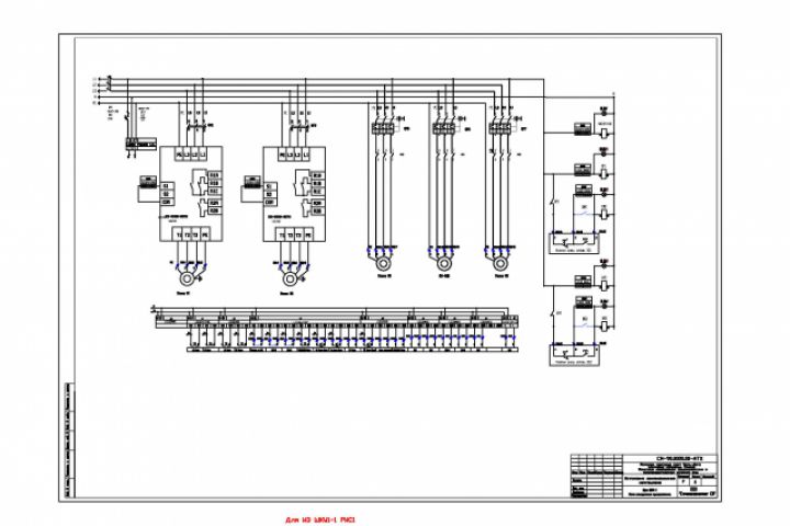
ЭПС системы очистки нефтешлама.

Описание

Схема разработана и смонтирована для терминала ПАО "НК Роснефть" в Усть-Луге в 2011-ом году. В 2012 была произведена модернизация (замена программного обеспечения ПЛК).

Презентация проекта

pic3488511.jpg

Оценили проект:

0