Ответственный подход к делу, соблюдение сроков, высокое качество

Олег Шардаков elussingollo

Рейтинг: 76
Паспорт верифицирован
Всего отзывов: 0
  • Работ в портфолио: 6
  • Типовых услуг: 1
  • Работ на продажу: 0
  • Возраст: 38 лет
  • Зарегистрирован: 31.10.2024
Был на сайте:

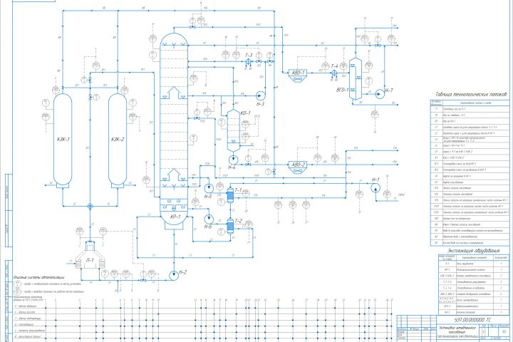
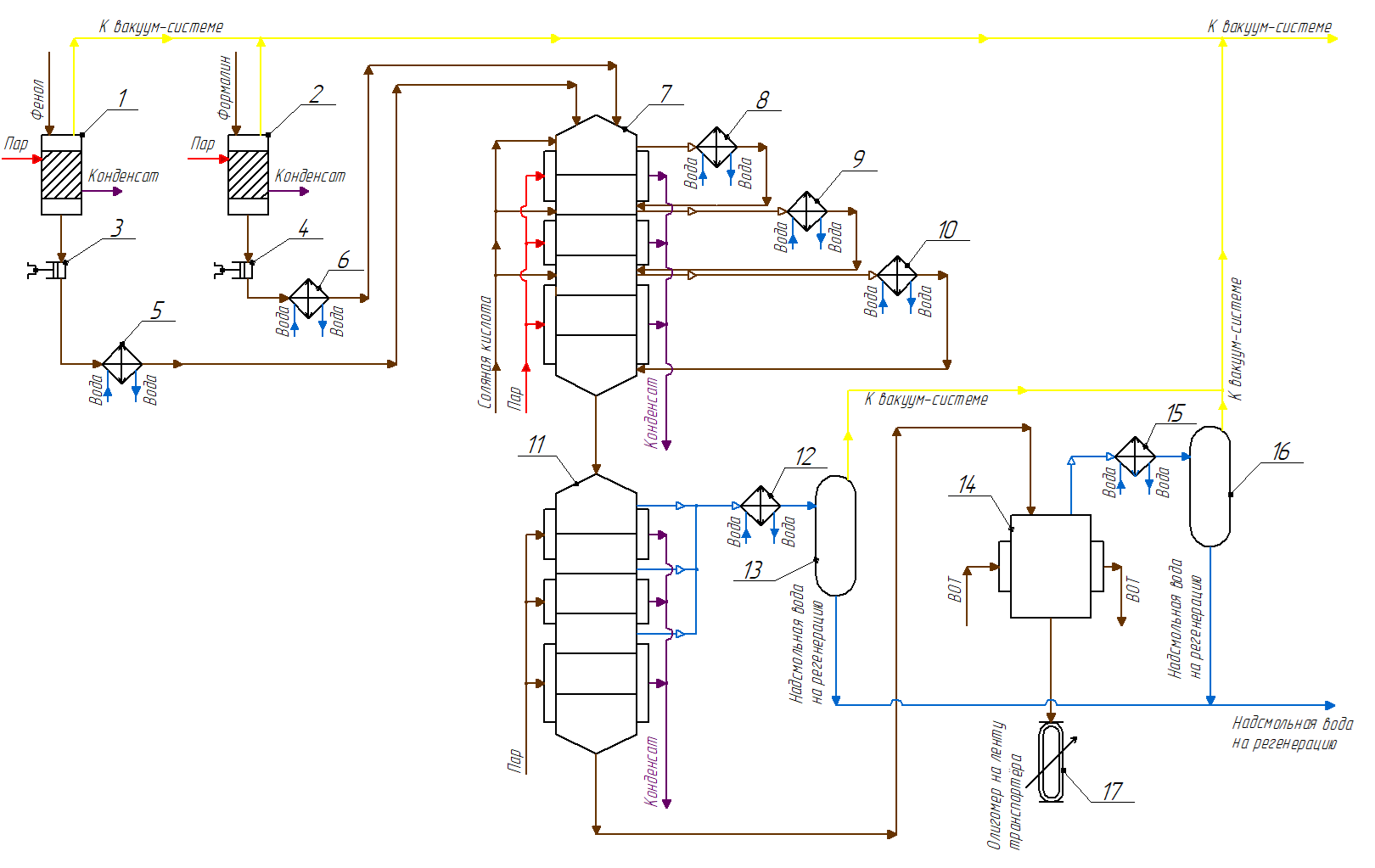
Схемы технологические и схемы автоматизации процессов химической

Используемые навыки:

Описание

Схемы технологические и схемы автоматизации процессов химической технологии в программах Компас и AutoCAD.

Презентация проекта

pic4625326.jpg
Технологическая схема (на печать).png

Оценили проект:

0