ГВС школы
Для полной функциональности этого сайта необходимо включить JavaScript.
Уфа
На сайте с: 07.08.2017
Ришат Зарипов
Saerto
Рейтинг: 70
не верифицирован
Всего отзывов:
0
Опубликовал заданий:
2
Нейросаммари
Работ в портфолио:
10
Типовых услуг:
0
Работ на продажу:
0
Был на сайте:
2025-04-21 в 12:04
Предложить работу
Добавить в избранное
Добавить рекомендацию
Пожаловаться
Инженерия
22
0
ГВС школы
Используемые навыки:
Водоснабжение и водоотведение
Описание
Решение
Результат
Соавторы
Презентация проекта
Примеры реализации
Описание
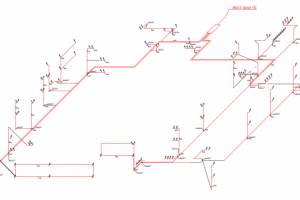
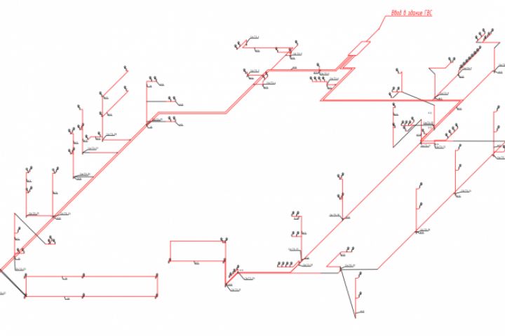
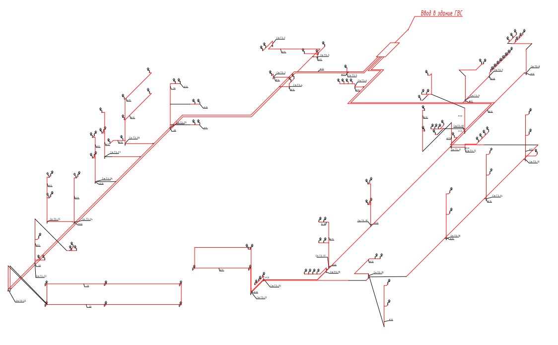
ГВС Школы, документация прошла ГГЭ
Презентация проекта
Оценили проект:
0
×
Оценили проект
×
Авторизация
Для того чтобы оценивать проекты, вам нужно войти на сайт
Другие проекты
Все проекты
Вентиляция Школы
Аксонометрия канализаии
ПОД
FREELANCE.RU
Toggle navigation
Нанять фрилансера
Заказчику
Найти по специализации
Найти по услугам
Провести конкурс
Разместить задание
Другое
Найти работу
Фрилансеру
Найти задание
Присоединиться к команде
Участвовать в конкурсе
Другое
Возможности
Для заказчика
Для фрилансера
Вход
Разместить задание
▲