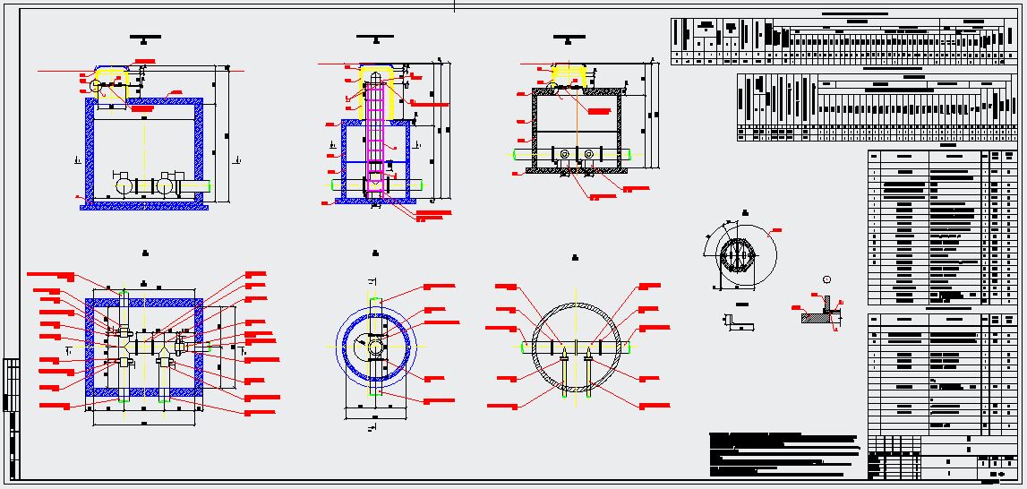
Фрагмент деталировки водопроводных колодцев с гидрантами
Для полной функциональности этого сайта необходимо включить JavaScript.
Москва
На сайте с: 31.05.2014
Евгений Корсунцев
Astored
Рейтинг: 160
не верифицирован
Всего отзывов:
0
Нейросаммари
Работ в портфолио:
100
Типовых услуг:
2
Работ на продажу:
0
Был на сайте:
2024-11-20 в 13:35
inbox
pro-sprinkler.ru
Предложить работу
Добавить в избранное
Добавить рекомендацию
Пожаловаться
Инженерия
91
0
Фрагмент деталировки водопроводных колодцев с гидрантами
Используемые навыки:
Водоснабжение и водоотведение
Описание
Решение
Результат
Соавторы
Презентация проекта
Примеры реализации
Описание
Презентация проекта
Оценили проект:
0
×
Оценили проект
×
Авторизация
Для того чтобы оценивать проекты, вам нужно войти на сайт
Другие проекты
Все проекты
Насосная АПТ
Насосная АУПТ
Обвязка РВС5000 трубопроводами противопожарного водоснабжения
FREELANCE.RU
Toggle navigation
Нанять фрилансера
Заказчику
Найти по специализации
Найти по услугам
Провести конкурс
Разместить задание
Другое
Найти работу
Фрилансеру
Найти задание
Присоединиться к команде
Участвовать в конкурсе
Другое
Возможности
Для заказчика
Для фрилансера
Вход
Разместить задание
▲